Главная > Подшипники> Шариковые> Упорные>NJ 312 ECJ

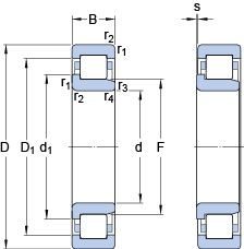
NJ 312 ECJ — Однорядный цилиндрический роликовый подшипник, импортное производство по ISO стандарту, размер 130x60x31 номер основного исполнения 312.
Производитель: SKF.
Однорядный цилиндрический роликоподшипник. Наружное кольцо имеет два борта, наружное — один борт.
EC = Оптимизированная внутренняя конструкция, включающая больше и / или более крупные ролики и с модифицированным контактом ролика / концевого фланца. J = Прессованная стальная клетка, по центру ролика, не закаленная.
Цена от:2 736 р.
Цена на подшипник зависит от:
| Обозначение | Модификация |
|---|---|
| N312 | Однорядный цилиндрический роликоподшипник. Внутреннее кольцо подшипника имеет два борта, наружное — без бортов. |
| Q312 | |
| NU312 | Однорядный цилиндрический роликоподшипник. Наружное кольцо подшипника имеет два борта, а внутреннее кольцо бортов не имеет. |
| NH312 | |
| NJ312 | Однорядный цилиндрический роликоподшипник. Наружное кольцо имеет два борта, наружное — один борт. |
| QJ312 | Шарикоподшипник с четырехточечным контактом. |
| EX312 | |
| UC312 | |
| UK312 | |
| N312 E | Однорядный цилиндрический роликоподшипник. Внутреннее кольцо подшипника имеет два борта, наружное — без бортов. Е = Увеличенная грузоподъемность. |
| NF 312 | Внутреннем кольце с двойным фланцем, внешнее с одним. |
| NJ312E | Однорядный цилиндрический роликоподшипник. Наружное кольцо имеет два борта, наружное — один борт. Е = Увеличенная грузоподъемность. |
| NUP312 | Однорядный цилиндрический роликоподшипник. Наружное кольцо имеет два борта, внутреннее — один борт и одно свободное фланцевое кольцо. Основные размеры по DIN 5412-1, относится к подтипу фиксированные подшипники, разъемные, с сепаратором. |
| BL 312 | |
| NJ312R | Однорядный цилиндрический роликоподшипник. Наружное кольцо имеет два борта, наружное — один борт. R = Наружное кольцо с фланцем . |
| NP 312 | |
| W312PP | P = Литой сепаратор из стеклонаполненного полиамида 6,6, центрируемый по телам качения. |
| NU312R | Однорядный цилиндрический роликоподшипник. Наружное кольцо подшипника имеет два борта, а внутреннее кольцо бортов не имеет. R = Наружное кольцо с фланцем . |
| QJF312 | |
| NF312 E | Внутреннем кольце с двойным фланцем, внешнее с одним. Е = Увеличенная грузоподъемность. |
| NUP312R | Однорядный цилиндрический роликоподшипник. Наружное кольцо имеет два борта, внутреннее — один борт и одно свободное фланцевое кольцо. Основные размеры по DIN 5412-1, относится к подтипу фиксированные подшипники, разъемные, с сепаратором. R = Наружное кольцо с фланцем . |
| NH312 E | Е = Увеличенная грузоподъемность. |
| UCP 312 | |
| NJ312EM | Однорядный цилиндрический роликоподшипник. Наружное кольцо имеет два борта, наружное — один борт. E = Увеличенная грузоподъемность. М = Механически обработанный латунный сепаратор, центрируемый по роликам. |
| EX312G2 | G2 = установка с нормальным преднатягом. |
| UC312L3 | L = массивный сепаратор из лёгкого сплава. |
| NJ312EG | Однорядный цилиндрический роликоподшипник. Наружное кольцо имеет два борта, наружное — один борт. G = Однорядный радиально-упорный шарикоподшипник для универсального парного монтажа. Два подшипника, установленные по 0-образной или Х-образной схеме, будут иметь определенный осевой зазор в домонтажном состоянии. |
| NP312 E | Е = Увеличенная грузоподъемность. |
| UK312L3 | L = массивный сепаратор из лёгкого сплава. |
| UK312+H | H = высокая, узкая каретка для двухрядного шарикоподшипника и направляющей в сборе. |
| NU312 E | Однорядный цилиндрический роликоподшипник. Наружное кольцо подшипника имеет два борта, а внутреннее кольцо бортов не имеет. Е = Увеличенная грузоподъемность. |
| UK312D1 | D1 = (Смазка сегмента, код W33) = Смазочная канавка и три отверстия в наружном кольце подшипника. Начиная с = D320 Суффикс D1 не используется. |
| W312PPG | G = Однорядный радиально-упорный шарикоподшипник для универсального парного монтажа. Два подшипника, установленные по 0-образной или Х-образной схеме, будут иметь определенный осевой зазор в домонтажном состоянии. |
| QJ312NR | Шарикоподшипник с четырехточечным контактом. Стопорное кольцо и проточка под него в наружном кольце подшипника. |
| NU312EG | Однорядный цилиндрический роликоподшипник. Наружное кольцо подшипника имеет два борта, а внутреннее кольцо бортов не имеет. G = Однорядный радиально-упорный шарикоподшипник для универсального парного монтажа. Два подшипника, установленные по 0-образной или Х-образной схеме, будут иметь определенный осевой зазор в домонтажном состоянии. |
| W312KLL | K = LL = (Сегментное уплотнение, код 2RU) = Лабиринтные уплотнения с обеих сторон (уплотнение L-типа - все части уплотнения L-типа покрыты цинком с всех сторон для улучшения защиты от коррозии - без трения уплотнения ). |
| E-NFV312 | V = Увеличенная грузоподъемность, внутренняя модификация конструкции. |
| NUP312 E | Однорядный цилиндрический роликоподшипник. Наружное кольцо имеет два борта, внутреннее — один борт и одно свободное фланцевое кольцо. Основные размеры по DIN 5412-1, относится к подтипу фиксированные подшипники, разъемные, с сепаратором. Е = Увеличенная грузоподъемность. |
| NUP312EM | Однорядный цилиндрический роликоподшипник. Наружное кольцо имеет два борта, внутреннее — один борт и одно свободное фланцевое кольцо. Основные размеры по DIN 5412-1, относится к подтипу фиксированные подшипники, разъемные, с сепаратором. E = Увеличенная грузоподъемность. М = Механически обработанный латунный сепаратор, центрируемый по роликам. |
| N312EG15 | Однорядный цилиндрический роликоподшипник. Внутреннее кольцо подшипника имеет два борта, наружное — без бортов. E = Увеличенная грузоподъемность. G15 = Формованная литьевая клетка из армированного стекловолокном полиамида 6,6, с вращающимся элементом по центру. |
| NUP312EG | Однорядный цилиндрический роликоподшипник. Наружное кольцо имеет два борта, внутреннее — один борт и одно свободное фланцевое кольцо. Основные размеры по DIN 5412-1, относится к подтипу фиксированные подшипники, разъемные, с сепаратором. G = Однорядный радиально-упорный шарикоподшипник для универсального парного монтажа. Два подшипника, установленные по 0-образной или Х-образной схеме, будут иметь определенный осевой зазор в домонтажном состоянии. |
| BL 312 Z | 2Z = Металлические шайбы с каждой стороны подшипника. |
| NJ312ECP | Однорядный цилиндрический роликоподшипник. Наружное кольцо имеет два борта, наружное — один борт. ЕС = эксцентриковый фиксатор воротника с утопленным внутренним кольцом на одной стороне. |
| EX312-39 | |
| EX312-36 | |
| UC312-39 | |
| UC312-36 | |
| UCS312D1 | D1 = (Смазка сегмента, код W33) = Смазочная канавка и три отверстия в наружном кольце подшипника. Начиная с = D320 Суффикс D1 не используется. |
| UEL312D1 | D1 = (Смазка сегмента, код W33) = Смазочная канавка и три отверстия в наружном кольце подшипника. Начиная с = D320 Суффикс D1 не используется. |
| QJ312 MA | Шарикоподшипник с четырехточечным контактом. MA = Механически обработанный латунный сепаратор, центрируемый по наружному кольцу. |
Габаритные размеры
Размеры и геометрические характеристики
Нагрузка и ресурс
Коэффициенты для расчета
Присоединительные размеры
Прочие характеристики
Подшипник шариковый однорядный радиально-упорный 7312 BECBM (FAG, SKF)
Подшипник однорядный шариковый радиальный 6312 (AST, CRAFT, CX, CYSD, FAG)
Подшипник однорядный шариковый радиальный 6312 2RS1 (FAG, SKF)
Подшипник однорядный шариковый радиальный 6312 M (FAG, SKF)
Подшипник однорядный шариковый радиальный 6312-Z (CYSD, ISB, KOYO, NKE, SKF)
однорядный радиальный шарикоподшипник для высоких температур 6312-2Z/VA208 (SKF)