Главная > Подшипники> Роликовые > Радиальные>NJ 1019

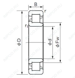
NJ 1019 — Цилиндрический роликоподшипник, импортное производство по ISO стандарту, размер 95x145x24 номер основного исполнения NJ1019.
Производится брендами: CX, CYSD, ISO, NACHI, NSK, NTN.
Однорядный цилиндрический роликоподшипник. Наружное кольцо имеет два борта, наружное — один борт.
Цена от:4 625 р.
Цена на подшипник зависит от:
Габаритные размеры
Размеры и геометрические характеристики
Нагрузка и ресурс
Защита
Конструкция и исполнение
Однорядный цилиндрический роликовый подшипник NU1019 (CX, CYSD, FBJ, ISB, ISO)
Подшипник однорядный шариковый радиальный 6019 (AST, CRAFT, CX, CYSD, FAG)
Подшипник шариковый однорядный радиально-упорный 7019 (CYSD, KOYO, NACHI, NTN, SKF)
Подшипник шариковый радиальный однорядный 119