Главная > Подшипники> Роликовые > Радиальные>NF 1019

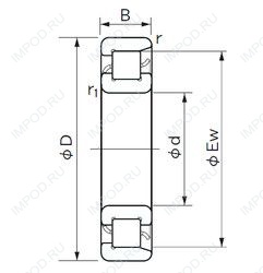
NF 1019 — Цилиндрический роликоподшипник, импортное производство по ISO стандарту, размер 95x145x24 номер основного исполнения NF1019.
Производитель: NACHI.
Внутреннем кольце с двойным фланцем, внешнее с одним.
Цена по запросу
Цена на подшипник зависит от:
Габаритные размеры
Размеры и геометрические характеристики
Нагрузка и ресурс
Защита
Присоединительные размеры
Конструкция и исполнение
Однорядный цилиндрический роликовый подшипник NU1019 (CX, CYSD, FBJ, ISB, ISO)
Подшипник однорядный шариковый радиальный 6019 (AST, CRAFT, CX, CYSD, FAG)
Подшипник шариковый однорядный радиально-упорный 7019 (CYSD, KOYO, NACHI, NTN, SKF)
Подшипник шариковый радиальный однорядный 119