Главная > Подшипники> Роликовые > Радиально-упорные>M88043/M88010

M88043/M88010 — Однорядный конический роликовый подшипник, импортное производство по ISO стандарту, размер 30x68x22 номер основного исполнения .
Производится брендами: Fersa, KBC, KOYO, NIS, NSK.
M = массивный латунный сепаратор.
Цена от:534 р.
Цена на подшипник зависит от:
Габаритные размеры
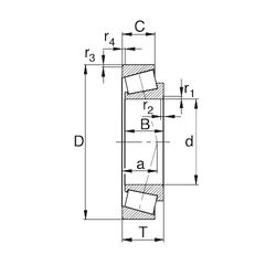
Размеры и геометрические характеристики
Нагрузка и ресурс
Защита
Коэффициенты для расчета
Присоединительные размеры
Конструкция и исполнение
Прочие характеристики
Однорядный конический роликовый подшипник 4T-M88043/M88010 (NTN)
Однорядный конический роликовый подшипник BT1B332674A/QCL7C (SKF)
Конический роликоподшипник ET-CR-06A36SATPX1 (NTN)
Конический роликоподшипник ET-CR-06A36SATPX1-G (NTN)
Однорядный конический роликовый подшипник F15079 (Fersa)
Подшипник роликовый радиально-упорный HC STA3068LFT (KOYO)