Главная > Подшипники> Роликовые > Радиально-упорные>HC STA3068LFT

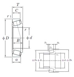
HC STA3068LFT — Подшипник роликовый радиально-упорный, импортное производство по ISO стандарту, размер 30x68x22 номер основного исполнения .
Производитель: KOYO.
ТA = Сепаратор из фенольной смолы или полиамида направленный на наружное кольцо
Цена по запросу
Цена на подшипник зависит от:
Габаритные размеры
Размеры и геометрические характеристики
Защита
Конструкция и исполнение
Однорядный конический роликовый подшипник 4T-M88043/M88010 (NTN)
Однорядный конический роликовый подшипник BT1B332674A/QCL7C (SKF)
Конический роликоподшипник ET-CR-06A36SATPX1 (NTN)
Конический роликоподшипник ET-CR-06A36SATPX1-G (NTN)
Однорядный конический роликовый подшипник F15079 (Fersa)
Однорядный конический роликовый подшипник M88043/M88010 (Fersa, KBC, KOYO, NIS, NSK)