Главная > Подшипники> Роликовые > Радиально-упорные>JHM840449/JHM840410

JHM840449/JHM840410 — Однорядный конический роликовый подшипник, импортное производство по ISO стандарту, размер 200x300x65 номер основного исполнения .
Производится брендами: KOYO, NIS, NSK, TIMKEN.
J = Штампованный металлический фиксатор, направляющий элемент качения. H = Штампованный защелкивающийся стальной сепаратор, закаленный.
Цена от:28 633 р.
Цена на подшипник зависит от:
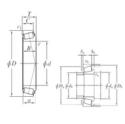
Габаритные размеры
Размеры и геометрические характеристики
Нагрузка и ресурс
Защита
Коэффициенты для расчета
Присоединительные размеры
Конструкция и исполнение
Прочие характеристики
Конический роликоподшипник 4T-JHM840449/JHM840410 (NTN)
Подшипник роликовый радиально-упорный JHM840449/10 (CX, ISO)
Конический роликоподшипник NP825236/NP443198 (TIMKEN)