Главная > Подшипники> Шариковые> Радиально-упорные>HS7018-E-T-P4S

HS7018-E-T-P4S — Подшипник шариковый однорядный радиально-упорный, импортное производство по ISO стандарту, размер 90x140x24 номер основного исполнения 7018.
Производитель: FAG.
Высокоскоростной шпиндельный подшипник.
E = (AC-SKF) = 25 градусов угол контакта. T = (сегмент TB-Cage) = текстильная слоистая Фенольный смола, направленная по наружному кольцу. сепаратор подходит для длительной эксплуатации при температуре до 100 градусов C. P = Литой сепаратор из стеклонаполненного полиамида 6,6, центрируемый по телам качения.
Цена от:13 338 р.
Цена на подшипник зависит от:
| Обозначение | Модификация |
|---|---|
| 7018 | Основное конструктивное исполнение. |
| B7018 | |
| 7018 B | B = однокомпонентное ребристое внутреннее кольцо. |
| 7018 C | С = Необслуживаемые концы стержней, внутренняя резьба. |
| 7018 A | A = внутренняя модификация конструкции. |
| 7018AC | AC = Угол контакта 25 градусов. |
| 7018DF | Комплект подшипников расположенных лицом к лицу, дуплексная Х-образная пара. |
| 7018DT | T = Механически обработанный сепаратор из текстолита, центрируемый по телам качения. |
| 7018DB | D = профиль наружного кольца, усовершенствованный, с увеличенной зоной несущей нагрузки и оптимизированными краевыми переходами. |
| H7018C | С = Необслуживаемые концы стержней, внутренняя резьба. |
| 7018CDB | С = Необслуживаемые концы стержней, внутренняя резьба. |
| 7018UP5 | P5 = Подшипники 5-го класса точности DIN |
| 7018CPA | С = Необслуживаемые концы стержней, внутренняя резьба. |
| 7018CDT | С = Необслуживаемые концы стержней, внутренняя резьба. |
| 7018 ADT | T = Механически обработанный сепаратор из текстолита, центрируемый по телам качения. |
| 7018 BDF | B = 40 градусов угол контакта. DF = Два однорядных радиальных шарикоподшипника, однорядных радиально-упорных шарикоподшипника или однорядных конических роликоподшипника, согласованные для монтажа по Х-образной схеме. |
| 7018 BDB | B = 40 градусов угол контакта. DB = два однорядных радиальных шарикоподшипника, однорядные радиально-упорные шарикоподшипники или однорядные конические роликовые подшипники, подходящие для монтажа в расположении друг за другом. |
| 7018 ADB | A = Модифицированная внутренняя конструкция. DB = два однорядных радиальных шарикоподшипника, однорядные радиально-упорные шарикоподшипники или однорядные конические роликовые подшипники, подходящие для монтажа в расположении друг к другу. |
| 7018 ADF | Комплект подшипников расположенных лицом к лицу, дуплексная Х-образная пара. |
| 7018 BDT | BD = Модифицированная внутренняя конструкция, угол контакта α = 30 градусов, без отверстия для заполнения. |
| 7018 CDF | Комплект подшипников расположенных лицом к лицу, дуплексная Х-образная пара. |
| 7018 B-UD | D = профиль наружного кольца, усовершенствованный, с увеличенной зоной несущей нагрузки и оптимизированными краевыми переходами. |
| 7018 B-UX | X = Внешние размеры, соответствующие международным стандартам. |
| 7018 A-UO | A = внутренняя модификация конструкции. |
| 7018 B-UO | B = однокомпонентное ребристое внутреннее кольцо. |
| 7018 C-UD | С = Необслуживаемые концы стержней, внутренняя резьба. |
| 7018 C-UO | С = Необслуживаемые концы стержней, внутренняя резьба. |
| 7018 A-UX | A = внутренняя модификация конструкции. |
| 7018 A-UD | A = внутренняя модификация конструкции. |
| 7018CTRSU | С = Необслуживаемые концы стержней, внутренняя резьба. |
| 7018 C-UX | С = Необслуживаемые концы стержней, внутренняя резьба. |
| 7018HVUJ74 | J = Сепаратор стальной штампованный незакалённый. Сорт стали 7. |
| 7018CVUJ74 | J = Сепаратор стальной штампованный незакалённый. Сорт стали 7. |
| 7018 CTBP4 | ТВ = текстолитовый сепаратор, центрируемый по внутреннему кольцу. |
| 7018A5TRSU | Угол контакта 25 градусов. |
| 7018 ATBP4 | ТВ = текстолитовый сепаратор, центрируемый по внутреннему кольцу. |
| H7018C/HQ1 | С = Необслуживаемые концы стержней, внутренняя резьба. |
| 7018 CD/P4A | CD = 15 градусов угол контакта. P4 = Точность размеров и вращения соответствуют классу точности 4 ISO. |
| 7018CVDUJ74 | DU = (RS1-SKF) = Уплотнительное контактное уплотнение из акрилонитрил-бутадиеновой резины (NBR) из листовой стали на одной стороне подшипника. |
| 7018 CB/P4A | P4 = Точность размеров и вращения соответствуют классу точности 4 ISO. |
| 7018 CE/P4A | P4 = Точность размеров и вращения соответствуют классу точности 4 ISO. |
| 7018CG/GNP4 | GN = нормальная предварительная нагрузка. P = Литой сепаратор из стеклонаполненного полиамида 6,6, центрируемый по телам качения. |
| 7018HVDUJ74 | DU = (RS1-SKF) = Уплотнительное контактное уплотнение из акрилонитрил-бутадиеновой резины (NBR) из листовой стали на одной стороне подшипника. |
| H7018AC/HQ1 | AC = Угол контакта 25 градусов. |
| 7018 CD/P4AL | CD = 15 градусов угол контакта. P4 = Точность размеров и вращения соответствуют классу точности 4 ISO. |
| 7018 ACE/P4A | AC = Угол контакта 25 градусов. |
| 7018UCG/GNP4 | GN = нормальная предварительная нагрузка. P = Литой сепаратор из стеклонаполненного полиамида 6,6, центрируемый по телам качения. |
| 7018CDB/GNP4 | GN = нормальная предварительная нагрузка. P = Литой сепаратор из стеклонаполненного полиамида 6,6, центрируемый по телам качения. |
| 7018 CE/P4AL | P4 = Точность размеров и вращения соответствуют классу точности 4 ISO. |
| S7018 CB/P4A | P4 = Точность размеров и вращения соответствуют классу точности 4 ISO. |
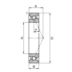
Габаритные размеры
Размеры и геометрические характеристики
Нагрузка и ресурс
Отклонение, точность вращения
Присоединительные размеры
Прочие характеристики
Однорядный цилиндрический роликовый подшипник NU1018 (CX, CYSD, FBJ, IBC, ISB)
Подшипник однорядный шариковый радиальный 6018 (AST, CRAFT, CX, CYSD, FAG)
Однорядный цилиндрический роликовый подшипник NU1018 M1.C3 (IBC)
Подшипник однорядный шариковый радиальный 6018 2RS.C3 (FAG)
Подшипник однорядный шариковый радиальный 6018 2Z.C3 (FAG)