Главная > Подшипники> Роликовые > Радиально-упорные>HM88649A/HM88610

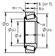
HM88649A/HM88610 — Конический роликоподшипник дюймовая серия, импортное производство по ISO стандарту, размер 34x72x25 номер основного исполнения .
Производится брендами: AST, TIMKEN.
H = высокая, узкая каретка для двухрядного шарикоподшипника и направляющей в сборе.
Цена от:762 р.
Цена на подшипник зависит от:
Габаритные размеры
Размеры и геометрические характеристики
Защита
Присоединительные размеры
Конструкция и исполнение
Прочие характеристики
Радиальный шарикоподшипник GRA106RRB (TIMKEN)
Подшипник шариковый радиальный SA207-23F (FYH, KOYO)
Подшипник для корпуса YET207-106 (SKF)
Однорядный конический роликовый подшипник 4T-HM88649/HM88610 (NTN)
Конический роликоподшипник H-HM88649/H-HM88610 (NACHI)
Подшипник роликовый радиально-упорный HC ST3572 ALFT (KOYO)