Главная > Подшипники> Роликовые > Радиально-упорные>H-HM88649/H-HM88610

H-HM88649/H-HM88610 — Конический роликоподшипник, импортное производство по ISO стандарту, размер 34x72x25 номер основного исполнения .
Производитель: NACHI.
H = высокая, узкая каретка для двухрядного шарикоподшипника и направляющей в сборе.
Цена по запросу
Цена на подшипник зависит от:
Габаритные размеры
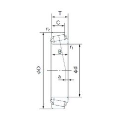
Размеры и геометрические характеристики
Нагрузка и ресурс
Защита
Коэффициенты для расчета
Присоединительные размеры
Конструкция и исполнение
Радиальный шарикоподшипник GRA106RRB (TIMKEN)
Подшипник шариковый радиальный SA207-23F (FYH, KOYO)
Подшипник для корпуса YET207-106 (SKF)
Однорядный конический роликовый подшипник 4T-HM88649/HM88610 (NTN)
Подшипник роликовый радиально-упорный HC ST3572 ALFT (KOYO)
Однорядный конический роликовый подшипник HM88649/HM88610 (AST, FBJ, Fersa, KBC, KOYO)