Главная > Подшипники> Роликовые > Радиально-упорные>HC ST3572 ALFT

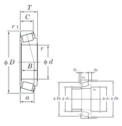
HC ST3572 ALFT — Подшипник роликовый радиально-упорный, импортное производство по ISO стандарту, размер 34x72x25 номер основного исполнения .
Производитель: KOYO.
Механически обработанный сепаратор из стали или чугуна, центрируемый по телам качения.
Цена по запросу
Цена на подшипник зависит от:
Габаритные размеры
Размеры и геометрические характеристики
Защита
Конструкция и исполнение
Радиальный шарикоподшипник GRA106RRB (TIMKEN)
Подшипник шариковый радиальный SA207-23F (FYH, KOYO)
Подшипник для корпуса YET207-106 (SKF)
Однорядный конический роликовый подшипник 4T-HM88649/HM88610 (NTN)
Конический роликоподшипник H-HM88649/H-HM88610 (NACHI)
Однорядный конический роликовый подшипник HM88649/HM88610 (AST, FBJ, Fersa, KBC, KOYO)