Главная > Подшипники> Шариковые> Радиально-упорные>HCB7014-E-2RSD-T-P4S

HCB7014-E-2RSD-T-P4S — Подшипник шпиндельный, импортное производство по ISO стандарту, размер 70x110x20 номер основного исполнения 7014.
Производитель: FAG.
Е = Увеличенная грузоподъемность. 2RS = шарикоподшипники с двухсторонним контактным уплотнением исполнения RS.
Цена по запросу
Цена на подшипник зависит от:
| Обозначение | Модификация |
|---|---|
| 7014 | Основное конструктивное исполнение. |
| B7014 | |
| 7014C | С = Необслуживаемые концы стержней, внутренняя резьба. |
| 7014B | B = однокомпонентное ребристое внутреннее кольцо. |
| 7014DB | D = профиль наружного кольца, усовершенствованный, с увеличенной зоной несущей нагрузки и оптимизированными краевыми переходами. |
| H7014C | С = Необслуживаемые концы стержней, внутренняя резьба. |
| 7014DT | T = Механически обработанный сепаратор из текстолита, центрируемый по телам качения. |
| 7014 A | A = внутренняя модификация конструкции. |
| 7014DF | Комплект подшипников расположенных лицом к лицу, дуплексная Х-образная пара. |
| 7014AC | AC = Угол контакта 25 градусов. |
| 7014CDF | Комплект подшипников расположенных лицом к лицу, дуплексная Х-образная пара. |
| 7014CDB | С = Необслуживаемые концы стержней, внутренняя резьба. |
| 7014CPA | С = Необслуживаемые концы стержней, внутренняя резьба. |
| H7014AC | AC = Угол контакта 25 градусов. |
| 7014 CDT | С = Необслуживаемые концы стержней, внутренняя резьба. |
| 7014 BDB | B = 40 градусов угол контакта. DB = два однорядных радиальных шарикоподшипника, однорядные радиально-упорные шарикоподшипники или однорядные конические роликовые подшипники, подходящие для монтажа в расположении друг за другом. |
| 7014 ADF | Комплект подшипников расположенных лицом к лицу, дуплексная Х-образная пара. |
| 7014 BDT | BD = Модифицированная внутренняя конструкция, угол контакта α = 30 градусов, без отверстия для заполнения. |
| 7014 ADB | A = Модифицированная внутренняя конструкция. DB = два однорядных радиальных шарикоподшипника, однорядные радиально-упорные шарикоподшипники или однорядные конические роликовые подшипники, подходящие для монтажа в расположении друг к другу. |
| 7014 BDF | B = 40 градусов угол контакта. DF = Два однорядных радиальных шарикоподшипника, однорядных радиально-упорных шарикоподшипника или однорядных конических роликоподшипника, согласованные для монтажа по Х-образной схеме. |
| 7014UCP4 | P4 = Точность размеров и вращения соответствуют классу точности 4 ISO. |
| 7014 ADT | T = Механически обработанный сепаратор из текстолита, центрируемый по телам качения. |
| 7014 B-UO | B = однокомпонентное ребристое внутреннее кольцо. |
| 7014 C-UD | С = Необслуживаемые концы стержней, внутренняя резьба. |
| 7014 B-UX | X = Внешние размеры, соответствующие международным стандартам. |
| 7014 A-UO | A = внутренняя модификация конструкции. |
| 7014 A-UX | A = внутренняя модификация конструкции. |
| 7014 C-UO | С = Необслуживаемые концы стержней, внутренняя резьба. |
| 7014 A-UD | A = внутренняя модификация конструкции. |
| 7014 B-UD | D = профиль наружного кольца, усовершенствованный, с увеличенной зоной несущей нагрузки и оптимизированными краевыми переходами. |
| 7014CTRSU | С = Необслуживаемые концы стержней, внутренняя резьба. |
| 7014 C-UX | С = Необслуживаемые концы стержней, внутренняя резьба. |
| 7014A5TRSU | Угол контакта 25 градусов. |
| 7014 ATBP4 | ТВ = текстолитовый сепаратор, центрируемый по внутреннему кольцу. |
| 7014HVUJ74 | J = Сепаратор стальной штампованный незакалённый. Сорт стали 7. |
| 7014 CTBP4 | ТВ = текстолитовый сепаратор, центрируемый по внутреннему кольцу. |
| 7014CVUJ74 | J = Сепаратор стальной штампованный незакалённый. Сорт стали 7. |
| H7014C/HQ1 | С = Необслуживаемые концы стержней, внутренняя резьба. |
| H7014AC/HQ1 | AC = Угол контакта 25 градусов. |
| 7014CVDUJ74 | DU = (RS1-SKF) = Уплотнительное контактное уплотнение из акрилонитрил-бутадиеновой резины (NBR) из листовой стали на одной стороне подшипника. |
| 3NC 7014 FT | T = Механически обработанный сепаратор из текстолита, центрируемый по телам качения. |
| 7014 CD/P4A | CD = 15 градусов угол контакта. P4 = Точность размеров и вращения соответствуют классу точности 4 ISO. |
| 7014 CE/P4A | P4 = Точность размеров и вращения соответствуют классу точности 4 ISO. |
| 7014 CB/P4A | P4 = Точность размеров и вращения соответствуют классу точности 4 ISO. |
| 7014CG/GLP4 | P4 = Точность размеров и вращения соответствуют классу точности 4 ISO. |
| 7014HVDUJ74 | DU = (RS1-SKF) = Уплотнительное контактное уплотнение из акрилонитрил-бутадиеновой резины (NBR) из листовой стали на одной стороне подшипника. |
| S7014 CB/P4A | P4 = Точность размеров и вращения соответствуют классу точности 4 ISO. |
| 7014UCG/GLP4 | P4 = Точность размеров и вращения соответствуют классу точности 4 ISO. |
| S7014 CD/P4A | CD = 15 градусов угол контакта. P4 = Точность размеров и вращения соответствуют классу точности 4 ISO. |
| 7014CDB/GNP5 | GN = нормальная предварительная нагрузка. P = Литой сепаратор из стеклонаполненного полиамида 6,6, центрируемый по телам качения. |
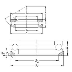
Габаритные размеры
Размеры и геометрические характеристики
Нагрузка и ресурс
Отклонение, точность вращения
Присоединительные размеры
Прочие характеристики
Однорядный цилиндрический роликовый подшипник NU1014 (CX, CYSD, FAG, FBJ, ISB)
Подшипник однорядный шариковый радиальный 6014 (CRAFT, IBC, NIS, SKF)
Подшипник шариковый радиальный однорядный 114
Подшипник шариковый радиальный 8114 (ГПЗ-3)
Однорядный цилиндрический роликовый подшипник NU1014 M1 (FAG)
Однорядный цилиндрический роликовый подшипник NU1014 M1.C3 (FAG)