Главная > Подшипники>7014B

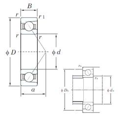
7014B — Подшипник шариковый однорядный радиально-упорный, импортное производство по ISO стандарту, размер 70x110x20 номер основного исполнения 7014.
Производится брендами: CX, ISO, KOYO.
B = однокомпонентное ребристое внутреннее кольцо.
Цена от:14 888 р.
Цена на подшипник зависит от:
| Обозначение | Модификация |
|---|---|
| 7014 | Основное конструктивное исполнение. |
| B7014 | |
| 7014C | С = Необслуживаемые концы стержней, внутренняя резьба. |
| 7014DF | Комплект подшипников расположенных лицом к лицу, дуплексная Х-образная пара. |
| 7014AC | AC = Угол контакта 25 градусов. |
| 7014DB | D = профиль наружного кольца, усовершенствованный, с увеличенной зоной несущей нагрузки и оптимизированными краевыми переходами. |
| H7014C | С = Необслуживаемые концы стержней, внутренняя резьба. |
| 7014DT | T = Механически обработанный сепаратор из текстолита, центрируемый по телам качения. |
| 7014 A | A = внутренняя модификация конструкции. |
| 7014CPA | С = Необслуживаемые концы стержней, внутренняя резьба. |
| H7014AC | AC = Угол контакта 25 градусов. |
| 7014CDF | Комплект подшипников расположенных лицом к лицу, дуплексная Х-образная пара. |
| 7014CDB | С = Необслуживаемые концы стержней, внутренняя резьба. |
| 7014 ADF | Комплект подшипников расположенных лицом к лицу, дуплексная Х-образная пара. |
| 7014 BDT | BD = Модифицированная внутренняя конструкция, угол контакта α = 30 градусов, без отверстия для заполнения. |
| 7014 ADB | A = Модифицированная внутренняя конструкция. DB = два однорядных радиальных шарикоподшипника, однорядные радиально-упорные шарикоподшипники или однорядные конические роликовые подшипники, подходящие для монтажа в расположении друг к другу. |
| 7014 BDF | B = 40 градусов угол контакта. DF = Два однорядных радиальных шарикоподшипника, однорядных радиально-упорных шарикоподшипника или однорядных конических роликоподшипника, согласованные для монтажа по Х-образной схеме. |
| 7014UCP4 | P4 = Точность размеров и вращения соответствуют классу точности 4 ISO. |
| 7014 ADT | T = Механически обработанный сепаратор из текстолита, центрируемый по телам качения. |
| 7014 CDT | С = Необслуживаемые концы стержней, внутренняя резьба. |
| 7014 BDB | B = 40 градусов угол контакта. DB = два однорядных радиальных шарикоподшипника, однорядные радиально-упорные шарикоподшипники или однорядные конические роликовые подшипники, подходящие для монтажа в расположении друг за другом. |
| 7014 B-UX | X = Внешние размеры, соответствующие международным стандартам. |
| 7014 A-UO | A = внутренняя модификация конструкции. |
| 7014 A-UX | A = внутренняя модификация конструкции. |
| 7014 C-UO | С = Необслуживаемые концы стержней, внутренняя резьба. |
| 7014 A-UD | A = внутренняя модификация конструкции. |
| 7014CTRSU | С = Необслуживаемые концы стержней, внутренняя резьба. |
| 7014 B-UD | D = профиль наружного кольца, усовершенствованный, с увеличенной зоной несущей нагрузки и оптимизированными краевыми переходами. |
| 7014 C-UX | С = Необслуживаемые концы стержней, внутренняя резьба. |
| 7014 B-UO | B = однокомпонентное ребристое внутреннее кольцо. |
| 7014 C-UD | С = Необслуживаемые концы стержней, внутренняя резьба. |
| 7014HVUJ74 | J = Сепаратор стальной штампованный незакалённый. Сорт стали 7. |
| 7014 CTBP4 | ТВ = текстолитовый сепаратор, центрируемый по внутреннему кольцу. |
| 7014CVUJ74 | J = Сепаратор стальной штампованный незакалённый. Сорт стали 7. |
| H7014C/HQ1 | С = Необслуживаемые концы стержней, внутренняя резьба. |
| 7014A5TRSU | Угол контакта 25 градусов. |
| 7014 ATBP4 | ТВ = текстолитовый сепаратор, центрируемый по внутреннему кольцу. |
| 7014 CE/P4A | P4 = Точность размеров и вращения соответствуют классу точности 4 ISO. |
| 7014CG/GLP4 | P4 = Точность размеров и вращения соответствуют классу точности 4 ISO. |
| 7014 CB/P4A | P4 = Точность размеров и вращения соответствуют классу точности 4 ISO. |
| 7014HVDUJ74 | DU = (RS1-SKF) = Уплотнительное контактное уплотнение из акрилонитрил-бутадиеновой резины (NBR) из листовой стали на одной стороне подшипника. |
| H7014AC/HQ1 | AC = Угол контакта 25 градусов. |
| 7014CVDUJ74 | DU = (RS1-SKF) = Уплотнительное контактное уплотнение из акрилонитрил-бутадиеновой резины (NBR) из листовой стали на одной стороне подшипника. |
| 3NC 7014 FT | T = Механически обработанный сепаратор из текстолита, центрируемый по телам качения. |
| 7014 CD/P4A | CD = 15 градусов угол контакта. P4 = Точность размеров и вращения соответствуют классу точности 4 ISO. |
| 7014 ACD/P4A | ACD = Угол контакта 25 градусов. P4 = Точность конструкции P4, точность хода P4. |
| 7014 CB/P4AL | P4 = Точность размеров и вращения соответствуют классу точности 4 ISO. |
| S7014 CE/P4A | P4 = Точность размеров и вращения соответствуют классу точности 4 ISO. |
| 7014UCG/GNP4 | GN = нормальная предварительная нагрузка. P = Литой сепаратор из стеклонаполненного полиамида 6,6, центрируемый по телам качения. |
| 7014 CD/P4AL | CD = 15 градусов угол контакта. P4 = Точность размеров и вращения соответствуют классу точности 4 ISO. |
Габаритные размеры
Размеры и геометрические характеристики
Нагрузка и ресурс
Защита
Присоединительные размеры
Конструкция и исполнение
Однорядный цилиндрический роликовый подшипник NU1014 (CX, CYSD, FAG, FBJ, ISB)
Подшипник однорядный шариковый радиальный 6014 (CRAFT, IBC, NIS, SKF)
Подшипник шариковый радиальный однорядный 114
Подшипник шариковый радиальный 8114 (ГПЗ-3)
Однорядный цилиндрический роликовый подшипник NU1014 M1 (FAG)
Однорядный цилиндрический роликовый подшипник NU1014 M1.C3 (FAG)