Главная > Подшипники> Шарнирные скольжения>GEFZ15T

GEFZ15T — Радиальный сферический подшипник скольжения, импортное производство по ISO стандарту номер основного исполнения .
Производится брендами: AST, LS.
T = Механически обработанный сепаратор из текстолита, центрируемый по телам качения.
Цена по запросу
Цена на подшипник зависит от:
Габаритные размеры
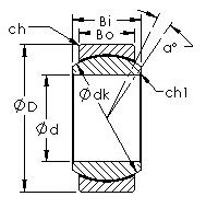
Размеры и геометрические характеристики
Нагрузка и ресурс
Защита
Присоединительные размеры
Конструкция и исполнение
Прочие характеристики
Втулки AST20 в стальном корпусе с пластиковым вкладышем POM дюймовая серия AST20 WC09IB (AST)
Радиальный сферический подшипник скольжения GEFZ15C (AST, LS)
Радиальный сферический подшипник скольжения GEG15ET-2RS (AST, LS)