Главная > Подшипники> Шарнирные скольжения>AST20 WC09IB

AST20 WC09IB — Втулки AST20 в стальном корпусе с пластиковым вкладышем POM дюймовая серия, импортное производство по ISO стандарту номер основного исполнения .
Производитель: AST.
W = Без кольцевой канавки и смазочных отверстий в наружном кольце.
Цена по запросу
Цена на подшипник зависит от:
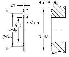
Габаритные размеры
Присоединительные размеры
Конструкция и исполнение
Прочие характеристики
Радиальный сферический подшипник скольжения GEFZ15C (AST, LS)
Радиальный сферический подшипник скольжения GEFZ15T (AST, LS)
Радиальный сферический подшипник скольжения GEG15ET-2RS (AST, LS)