Главная > Подшипники> Шарнирные скольжения>GEFZ15C

GEFZ15C — Радиальный сферический подшипник скольжения, импортное производство по ISO стандарту номер основного исполнения .
Производится брендами: AST, LS.
С = Необслуживаемые концы стержней, внутренняя резьба.
Цена по запросу
Цена на подшипник зависит от:
Габаритные размеры
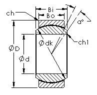
Размеры и геометрические характеристики
Нагрузка и ресурс
Защита
Присоединительные размеры
Прочие характеристики
Втулки AST20 в стальном корпусе с пластиковым вкладышем POM дюймовая серия AST20 WC09IB (AST)
Радиальный сферический подшипник скольжения GEFZ15T (AST, LS)
Радиальный сферический подшипник скольжения GEG15ET-2RS (AST, LS)