Главная > Подшипники> Шариковые> Радиальные>F608H-2RS

F608H-2RS — Подшипник шариковый из нержавеющей стали, импортное производство по ISO стандарту, размер 8x22x7 номер основного исполнения 608.
Производитель: AST.
Резиновые уплотнения с каждой стороны подшипника.
Цена по запросу
Цена на подшипник зависит от:
| Обозначение | Модификация |
|---|---|
| 608 | Основное конструктивное исполнение. |
| S608 | |
| 608H | H = высокая, узкая каретка для двухрядного шарикоподшипника и направляющей в сборе. |
| F608 | |
| F608H | H = высокая, узкая каретка для двухрядного шарикоподшипника и направляющей в сборе. |
| FL608 | |
| W 608 | |
| NC608 | |
| 608LU | LU = RS1 (SKF) = шариковый подшипник с трущим уплотнением с одной стороны. Уплотнение обычно состоит из шайбы из листовой стали и прорезиненной ткани. |
| 608LB | LB - массивный сепаратор из лёгкого сплава, центрирование по внутреннему кольцу. |
| 608W6 | W = Без кольцевой канавки и смазочных отверстий в наружном кольце. |
| 608SS | S = смазочный паз и три отверстия в наружном кольце подшипника. |
| 608EE | Е = Увеличенная грузоподъемность. |
| 608-Z | Металлический экран с одной стороны. |
| SF608 | |
| F608DD | DD = резиновые уплотнения на каждой стороне подшипника. |
| 608-RS | R = Наружное кольцо с фланцем . |
| FL608Z | Металлический экран с одной стороны. |
| 608 ZZ | ZZ = Два металлических экрана. |
| 608 2Z | 2Z = Металлические шайбы с каждой стороны подшипника. |
| 608DDG | DD = резиновые уплотнения на каждой стороне подшипника. |
| 608 DD | DD = резиновые уплотнения на каждой стороне подшипника. |
| 608 VV | V = Увеличенная грузоподъемность, внутренняя модификация конструкции. |
| 608LLH | LL = Лабиринтные уплотнения с обеих сторон (уплотнение L-типа - все части уплотнения L-типа покрыты цинком с всех сторон для улучшения защиты от коррозии - без трения уплотнения ). H = Штампованный защелкивающийся стальной сепаратор, закаленный. |
| 608LLU | LLU = Резиновые уплотнения на каждой стороне подшипника. |
| 608UUG | Резиновое уплотнение на каждой стороне подшипника. |
| S608W6 | W = Без кольцевой канавки и смазочных отверстий в наружном кольце. |
| 608HZZ | ZZ = Два металлических экрана. |
| 608ZZ1 | ZZ = Два металлических экрана. |
| 608LLB | LLB = Уплотнение из синтетического каучука бесконтактного типа. |
| F608ZZ | ZZ = Два металлических экрана. |
| 608/24 | |
| SS 608 | |
| 608/26 | |
| F608VV | V = Увеличенная грузоподъемность, внутренняя модификация конструкции. |
| F608-2Z | 2Z = Металлические шайбы с каждой стороны подшипника. |
| 608-2RU | Манжетное бесконтактное уплотнение с обеих сторон. |
| W 608 R | R = Наружное кольцо с фланцем . |
| P608-GB | G = Однорядный радиально-упорный шарикоподшипник для универсального парного монтажа. Два подшипника, установленные по 0-образной или Х-образной схеме, будут иметь определенный осевой зазор в домонтажном состоянии. |
| P608-SB | S (Сегментное уплотнение, код 2L) = кулачковый толкатель, Camrol, герметичная версия. B = шестигранное отверстие ,заменяет шлиц отвертки в конце фланца штока. |
| 608 RSH | R = Наружное кольцо с фланцем . |
| S608-2Z | 2Z = Металлические шайбы с каждой стороны подшипника. |
| 608-2RS | Резиновые уплотнения с каждой стороны подшипника. |
| S608/26 | |
| S608/24 | |
| 608-2RD | R = Наружное кольцо с фланцем . |
| 608-RSL | R = Наружное кольцо с фланцем . |
| 608-RSR | R = Наружное кольцо с фланцем . |
| F608HZZ | ZZ = Два металлических экрана. |
| 608-2ZW6 | 2Z = Металлические шайбы с каждой стороны подшипника. |
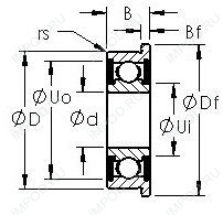
Габаритные размеры
Размеры и геометрические характеристики
Нагрузка и ресурс
Защита
Присоединительные размеры
Конструкция и исполнение
Прочие характеристики
Подшипник шариковый радиальный однорядный с одной защитной шайбой 60018
Подшипник шариковый упорный однонаправленный 1008
Подшипник шариковый радиальный самоцентрирующийся 108 TN9 (ISB, SKF)
Подшипник шариковый радиальный 04-80018 КУС2 (ГПЗ-4)
Подшипник шариковый радиальный однорядный с двумя защитными шайбами 04-80018 КШ2УС2
Подшипник шариковый радиальный однорядный 06-18 (ГПЗ-4)