Главная > Однорядные >108 TN9

108 TN9 — Подшипник шариковый радиальный самоцентрирующийся, импортное производство по ISO стандарту, размер 8x22x7 номер основного исполнения 108.
Производится брендами: ISB, SKF.
TN = Полиамидная клетка.
Цена от:461 р.
Цена на подшипник зависит от:
| Обозначение | Модификация |
|---|---|
| 108 | Основное конструктивное исполнение. |
| BCH108 | |
| BH-108 | |
| BHT108 | |
| 108-TVH | TV = Твердая клетка из армированного стекловолокном полиамида, шариковая езда. |
| BHAM 108 | M = массивный латунный сепаратор. |
| BHA 108 Z | Металлический экран с одной стороны. |
| 108 TN9.C3 | C3 = Радиальный внутренний зазор больше нормального. |
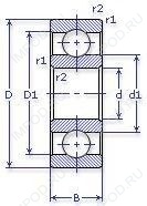
Габаритные размеры
Размеры и геометрические характеристики
Нагрузка и ресурс
Защита
Коэффициенты для расчета
Присоединительные размеры
Конструкция и исполнение
Подшипник шариковый радиальный однорядный с одной защитной шайбой 60018
Подшипник шариковый упорный однонаправленный 1008
Подшипник однорядный шариковый радиальный 608 ZZ (CRAFT, CX, FBJ, ISB, ISO)
Подшипник однорядный шариковый радиальный 608 2RSH.C3 (SKF)
Подшипник однорядный шариковый радиальный 608 RSH (SKF)
Подшипник однорядный шариковый радиальный 608 2RSR.C3 (SKF)