Главная > Подшипники> Роликовые > Радиально-упорные>E32010J

E32010J — Конический роликоподшипник, импортное производство по ISO стандарту, размер 50x80x20 номер основного исполнения 32010.
Производитель: NACHI.
J = Сепаратор стальной штампованный незакалённый.
Цена по запросу
Цена на подшипник зависит от:
| Обозначение | Модификация |
|---|---|
| 32010 | Основное конструктивное исполнение. |
| 32010X | X = Внешние размеры, соответствующие международным стандартам. |
| 32010A | A = внутренняя модификация конструкции. |
| 32010XR | R = Наружное кольцо с фланцем . |
| 32010JR | R = Наружное кольцо с фланцем . |
| 32010XF | X = Внешние размеры, соответствующие международным стандартам. |
| 32010AX | A = внутренняя модификация конструкции. |
| 32010XJ | X = Внешние размеры, соответствующие международным стандартам. J = Прессованная стальная клетка оконного типа. |
| 32010X/Q | Q = тихий ход работы подшипника. |
| 4T-32010X | X = Внешние размеры, соответствующие международным стандартам. |
| HR32010XJ | X = Внешние размеры, соответствующие международным стандартам. J = Прессованная стальная клетка оконного типа. |
| 32010-X-XL | X = Внешние размеры, соответствующие международным стандартам. L = массивный сепаратор из лёгкого сплава. |
| 10R.32010.A | A = внутренняя модификация конструкции. |
| 32010X (ISO) | S = смазочный паз и три отверстия в наружном кольце подшипника. |
| X32010X/Y32010X | X = Внешние размеры, соответствующие международным стандартам. |
| XAD32010X/Y32010X | X = Внешние размеры, соответствующие международным стандартам. |
| XAB32010X/Y32010X | X = Внешние размеры, соответствующие международным стандартам. |
| NP205471/Y32010XM | X = Внешние размеры, соответствующие международным стандартам. |
| X32010X/YKA32010X | К = Коническая посадка, конусность 1:12. |
| X32010X/YKB32010X | К = Коническая посадка, конусность 1:12. |
| XAE32010X/Y32010X | X = Внешние размеры, соответствующие международным стандартам. |
| XAC32010X/Y32010X | X = Внешние размеры, соответствующие международным стандартам. |
| XAA32010X/Y32010X | X = Внешние размеры, соответствующие международным стандартам. |
| 32010 X/QCL7CVB026 | С = Необслуживаемые концы стержней, внутренняя резьба. |
| AB32010X/YKB32010X | К = Коническая посадка, конусность 1:12. |
| XAE32010X/YKA32010X | К = Коническая посадка, конусность 1:12. |
| XAE32010X/YKB32010X | К = Коническая посадка, конусность 1:12. |
| XAB32010X/YKA32010X | К = Коническая посадка, конусность 1:12. |
| XAA32010X/YKA32010X | К = Коническая посадка, конусность 1:12. |
| XAD32010X/YKA32010X | К = Коническая посадка, конусность 1:12. |
| XAB32010X/YKB32010X | К = Коническая посадка, конусность 1:12. |
| XAD32010X/YKB32010X | К = Коническая посадка, конусность 1:12. |
| XAA32010X/YKB32010X | К = Коническая посадка, конусность 1:12. |
| XAC32010X/YKA32010X | К = Коническая посадка, конусность 1:12. |
| XAC32010X/YKB32010X | К = Коническая посадка, конусность 1:12. |
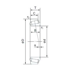
Габаритные размеры
Размеры и геометрические характеристики
Нагрузка и ресурс
Защита
Коэффициенты для расчета
Присоединительные размеры
Конструкция и исполнение
Подшипник роликовый радиальный с короткими цилиндрическими роликами без наружного кольца 502210 КМ (ГПЗ-3)
Подшипник роликовый радиально-упорный конический однорядный повышенной грузоподъемности 2007110 А
Подшипник роликовый радиально-упорный конический однорядный 2007110
Подшипник роликовый радиально-упорный конический однорядный повышенной грузоподъемности 6-2007110 А
Цилиндрический роликоподшипник R1033V (NTN)
Роликовый игольчатый подшипник NA1050 (KOYO, TIMKEN)