Главная > Подшипники> Роликовые > Игольчатые>NA1050

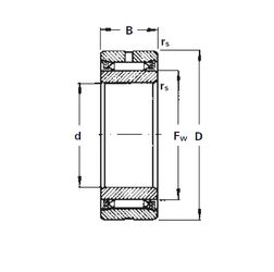
NA1050 — Роликовый игольчатый подшипник, импортное производство по ISO стандарту, размер 50x80x20 основное исполнение.
Производится брендами: KOYO, TIMKEN.
Игольчатый роликоподшипник с размерами по ISO 15.
Цена по запросу
Цена на подшипник зависит от:
Габаритные размеры
Размеры и геометрические характеристики
Нагрузка и ресурс
Защита
Присоединительные размеры
Конструкция и исполнение
Однорядный конический роликовый подшипник 32010 (CRAFT, CYSD, FAG, FBJ, ISB)
Однорядный конический роликовый подшипник 32010X (FAG, NIS, NKE, NTN, PFI)
Подшипник роликовый радиальный с короткими цилиндрическими роликами без наружного кольца 502210 КМ (ГПЗ-3)
Подшипник роликовый радиально-упорный конический однорядный повышенной грузоподъемности 2007110 А
Подшипник роликовый радиально-упорный конический однорядный 2007110