Главная > Подшипники> Шариковые> Радиально-упорные>E 295 7CE1

E 295 7CE1 — Радиально-упорный шарикоподшипник, импортное производство по ISO стандарту, размер 95x170x32 номер основного исполнения .
Производитель: SNFA.
Energy Efficient bearings.
С = фенольная смола. E = Расположение внешнего сепаратора. 1 = CD (SKF) = 15 градусов угол контакта.
Цена по запросу
Цена на подшипник зависит от:
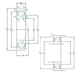
Габаритные размеры
Размеры и геометрические характеристики
Нагрузка и ресурс
Защита
Коэффициенты для расчета
Присоединительные размеры
Конструкция и исполнение
Однорядный цилиндрический роликовый подшипник NJ219 (CRAFT, FAG, FBJ, ISB, ISO)
Однорядный цилиндрический роликовый подшипник NU219 (CRAFT, FAG, FBJ, ISB, ISO)
Подшипник шариковый однорядный радиально-упорный 7219 (CYSD, FAG, KOYO, NACHI, NTN)
Подшипник шариковый радиальный 6-219 (ГПЗ-1)
Подшипник роликовый радиальный самоцентрирующийся 20219 (FAG, ISO)