Главная > Подшипники> Шариковые> Радиально-упорные>E 250 7CE3

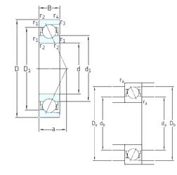
E 250 7CE3 — Радиально-упорный шарикоподшипник, импортное производство по ISO стандарту, размер 50x90x20 номер основного исполнения .
Производитель: SNFA.
Energy Efficient bearings.
С = Необслуживаемые концы стержней, внутренняя резьба.
Цена по запросу
Цена на подшипник зависит от:
Габаритные размеры
Размеры и геометрические характеристики
Нагрузка и ресурс
Защита
Присоединительные размеры
Конструкция и исполнение
Однорядный цилиндрический роликовый подшипник NJ210 (CRAFT, FAG, FBJ, ISB, ISO)
Однорядный цилиндрический роликовый подшипник NU210 (CRAFT, FAG, FBJ, ISB, ISO)
Подшипник шариковый радиальный 6-210
Подшипник шариковый радиальный 4-210 (ГПЗ-1)
Подшипник роликовый сферический 20210 (FAG, ISO, SIGMA)