Главная > Подшипники> Шариковые> Радиальные>CSXB020

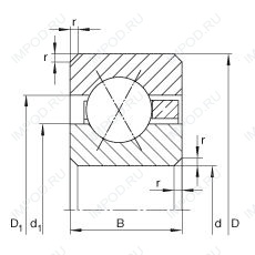
CSXB020 — Подшипник шариковый с четырехточечным контактом, импортное производство по ISO стандарту, размер 50x66x7 основное исполнение.
Производитель: INA.
B = однокомпонентное ребристое внутреннее кольцо.
Цена по запросу
Цена на подшипник зависит от:
Габаритные размеры
Размеры и геометрические характеристики
Нагрузка и ресурс
Подшипник однорядный шариковый радиальный CSCB020 (INA)
Подшипник шариковый однорядный радиально-упорный CSEB020 (INA)
Радиальный шарикоподшипник KBC020 (KOYO)
Радиально-упорный шарикоподшипник KBA020 (KOYO)
Радиально-упорный шарикоподшипник KBX020 (KOYO)