Главная > Подшипники> Шариковые> Радиальные>CSEB020

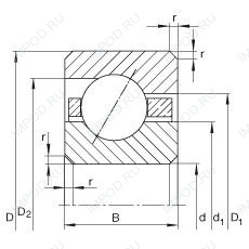
CSEB020 — Подшипник шариковый однорядный радиально-упорный, импортное производство по ISO стандарту, размер 50x66x7 основное исполнение.
Производитель: INA.
B = однокомпонентное ребристое внутреннее кольцо.
Цена по запросу
Цена на подшипник зависит от:
Габаритные размеры
Размеры и геометрические характеристики
Нагрузка и ресурс
Конструкция и исполнение
Прочие характеристики
Подшипник однорядный шариковый радиальный CSCB020 (INA)
Подшипник шариковый с четырехточечным контактом CSXB020 (INA)
Радиальный шарикоподшипник KBC020 (KOYO)
Радиально-упорный шарикоподшипник KBA020 (KOYO)
Радиально-упорный шарикоподшипник KBX020 (KOYO)