Главная > Подшипники> Шариковые> Радиальные>CSCB020

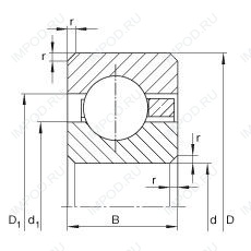
CSCB020 — Подшипник однорядный шариковый радиальный, импортное производство по ISO стандарту, размер 50x66x7 основное исполнение.
Производитель: INA.
B = однокомпонентное ребристое внутреннее кольцо.
Цена по запросу
Цена на подшипник зависит от:
Габаритные размеры
Размеры и геометрические характеристики
Нагрузка и ресурс
Конструкция и исполнение
Подшипник шариковый однорядный радиально-упорный CSEB020 (INA)
Подшипник шариковый с четырехточечным контактом CSXB020 (INA)
Радиальный шарикоподшипник KBC020 (KOYO)
Радиально-упорный шарикоподшипник KBA020 (KOYO)
Радиально-упорный шарикоподшипник KBX020 (KOYO)