Главная > Подшипники> Шариковые> Упорные>BSD 60120 CG

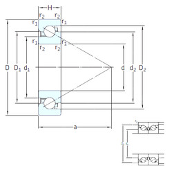
BSD 60120 CG — Осевой радиально-упорный шарикоподшипник, импортное производство по ISO стандарту, размер 60x120x20 номер основного исполнения .
Производитель: SKF.
G = Однорядный радиально-упорный шарикоподшипник для универсального парного монтажа. Два подшипника, установленные по 0-образной или Х-образной схеме, будут иметь определенный осевой зазор в домонтажном состоянии.
Цена по запросу
Цена на подшипник зависит от:
Габаритные размеры
Размеры и геометрические характеристики
Нагрузка и ресурс
Защита
Присоединительные размеры
Конструкция и исполнение
Осевой радиально-упорный шарикоподшипник 60TAB12 (NACHI)
Опорный подшипник шарико-винтовой передачи 60TAB12DB (NACHI)
Шариковый радиально-упорный подшипник однонаправленный 60TAC120B (NSK)
Опорный подшипник шарико-винтовой передачи 60TAB12DF (NACHI)
Осевой радиально-упорный шарикоподшипник BS 60/120 7P62U (SNFA)
Осевой радиально-упорный шарикоподшипник BS 60/120 /S 7P62U (SNFA)