Главная > Подшипники> Шариковые> Упорные>60TAC120B

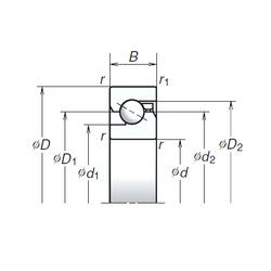
60TAC120B — Шариковый радиально-упорный подшипник однонаправленный, импортное производство по ISO стандарту, размер 60x120x20 номер основного исполнения .
Производитель: NSK.
С1 = Внутренний зазор подшипника меньше С2.
Цена по запросу
Цена на подшипник зависит от:
Габаритные размеры
Размеры и геометрические характеристики
Нагрузка и ресурс
Защита
Конструкция и исполнение
Осевой радиально-упорный шарикоподшипник 60TAB12 (NACHI)
Опорный подшипник шарико-винтовой передачи 60TAB12DB (NACHI)
Опорный подшипник шарико-винтовой передачи 60TAB12DF (NACHI)
Осевой радиально-упорный шарикоподшипник BS 60/120 7P62U (SNFA)
Осевой радиально-упорный шарикоподшипник BS 60/120 /S 7P62U (SNFA)
Осевой радиально-упорный шарикоподшипник BSD 60120 CG (SKF)