Главная > Подшипники> Шариковые> Упорные>BS 60/120 7P62U

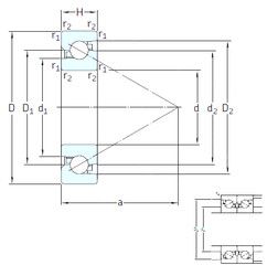
BS 60/120 7P62U — Осевой радиально-упорный шарикоподшипник, импортное производство по ISO стандарту, размер 60x120x20 номер основного исполнения .
Производитель: SNFA.
P62 = Класс точности Р6 и радиальная очистка С2.
Цена по запросу
Цена на подшипник зависит от:
Габаритные размеры
Размеры и геометрические характеристики
Нагрузка и ресурс
Защита
Присоединительные размеры
Конструкция и исполнение
Осевой радиально-упорный шарикоподшипник 60TAB12 (NACHI)
Опорный подшипник шарико-винтовой передачи 60TAB12DB (NACHI)
Шариковый радиально-упорный подшипник однонаправленный 60TAC120B (NSK)
Опорный подшипник шарико-винтовой передачи 60TAB12DF (NACHI)
Осевой радиально-упорный шарикоподшипник BS 60/120 /S 7P62U (SNFA)
Осевой радиально-упорный шарикоподшипник BSD 60120 CG (SKF)