Главная > Подшипники> Шариковые> Упорные>BS 275 7P62U

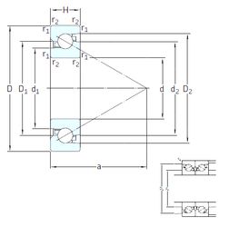
BS 275 7P62U — Осевой радиально-упорный шарикоподшипник, импортное производство по ISO стандарту, размер 75x130x25 номер основного исполнения .
Производитель: SNFA.
P62 = Класс точности Р6 и радиальная очистка С2.
Цена по запросу
Цена на подшипник зависит от:
Габаритные размеры
Размеры и геометрические характеристики
Нагрузка и ресурс
Защита
Присоединительные размеры
Конструкция и исполнение
Однорядный цилиндрический роликовый подшипник NJ215 (CRAFT, FAG, FBJ, ISB, ISO)
Однорядный цилиндрический роликовый подшипник NU215 (CRAFT, FAG, FBJ, ISB, ISO)
Подшипник шариковый радиальный 6-215
Подшипник роликовый сферический 20215 (FAG, ISO)
Подшипник шариковый радиальный сферический двухрядный с цилиндрическим отверстием внутреннего кольца 1215 (ГПЗ-8)
Подшипник роликовый радиальный с короткими цилиндрическими роликами без бортов на наружном кольце 2-215 (ГПЗ-3)