Главная > Подшипники> Шариковые> Упорные>BS 250 /S 7P62U

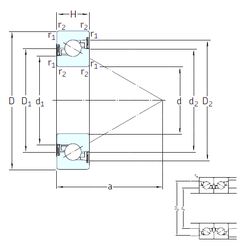
BS 250 /S 7P62U — Осевой радиально-упорный шарикоподшипник, импортное производство по ISO стандарту, размер 50x90x20 номер основного исполнения .
Производитель: SNFA.
P62 = Класс точности Р6 и радиальная очистка С2.
Цена по запросу
Цена на подшипник зависит от:
Габаритные размеры
Размеры и геометрические характеристики
Нагрузка и ресурс
Защита
Присоединительные размеры
Конструкция и исполнение
Однорядный цилиндрический роликовый подшипник NJ210 (CRAFT, FAG, FBJ, ISB, ISO)
Однорядный цилиндрический роликовый подшипник NU210 (CRAFT, FAG, FBJ, ISB, ISO)
Подшипник шариковый радиальный 6-210
Подшипник шариковый радиальный 4-210 (ГПЗ-1)
Подшипник роликовый сферический 20210 (FAG, ISO, SIGMA)