Главная > Подшипники> Шариковые> Радиально-упорные>B7215-E-T-P4S

B7215-E-T-P4S — Подшипник шариковый однорядный радиально-упорный, импортное производство по ISO стандарту, размер 75x130x25 номер основного исполнения 7215.
Производитель: FAG.
E = (AC-SKF) = 25 градусов угол контакта. T = (сегмент TB-Cage) = текстильная слоистая Фенольный смола, направленная по наружному кольцу. сепаратор подходит для длительной эксплуатации при температуре до 100 градусов C. P = Литой сепаратор из стеклонаполненного полиамида 6,6, центрируемый по телам качения.
Цена от:11 494 р.
Цена на подшипник зависит от:
| Обозначение | Модификация |
|---|---|
| 7215 | Основное конструктивное исполнение. |
| 7215B | B = однокомпонентное ребристое внутреннее кольцо. |
| 7215AC | AC = Угол контакта 25 градусов. |
| 7215DF | Комплект подшипников расположенных лицом к лицу, дуплексная Х-образная пара. |
| 7215WN | W = Без кольцевой канавки и смазочных отверстий в наружном кольце. |
| 7215BA | A = внутренняя модификация конструкции. |
| 7215 A | A = внутренняя модификация конструкции. |
| 7215BG | B = 40 градусов угол контакта. G = Однорядный радиально-упорный шарикоподшипник для универсального парного монтажа. Два подшипника, установленные по 0-образной или Х-образной схеме, будут иметь определенный осевой зазор в домонтажном состоянии. |
| 7215DB | D = профиль наружного кольца, усовершенствованный, с увеличенной зоной несущей нагрузки и оптимизированными краевыми переходами. |
| 7215DT | T = Механически обработанный сепаратор из текстолита, центрируемый по телам качения. |
| 7215 C | С = Необслуживаемые концы стержней, внутренняя резьба. |
| 7215BDB | B = 40 градусов угол контакта. DB = два однорядных радиальных шарикоподшипника, однорядные радиально-упорные шарикоподшипники или однорядные конические роликовые подшипники, подходящие для монтажа в расположении друг за другом. |
| 7215BEP | Радиально-упорный шарикоподшипник с угол контакта - 40. Оптимизированная внутренняя конструкция. Сепаратор армирован стекловолокном с шаровым центром. |
| 7215CPA | С = Необслуживаемые концы стержней, внутренняя резьба. |
| 7215BGA | B = 40 градусов угол контакта. G = Однорядный радиально-упорный шарикоподшипник для универсального парного монтажа. Два подшипника, установленные по 0-образной или Х-образной схеме, будут иметь определенный осевой зазор в домонтажном состоянии. |
| 7215BEA | A = внутренняя модификация конструкции. |
| 7215BGM | B = 40 градусов угол контакта. G = Однорядный радиально-упорный шарикоподшипник для универсального парного монтажа. Два подшипника, установленные по 0-образной или Х-образной схеме, будут иметь определенный осевой зазор в домонтажном состоянии. |
| 7215CP5 | P5 = Подшипники 5-го класса точности DIN |
| 7215BDBT | B = 40 градусов угол контакта. DB = два однорядных радиальных шарикоподшипника, однорядные радиально-упорные шарикоподшипники или однорядные конические роликовые подшипники, подходящие для монтажа в расположении друг за другом. |
| 7215 ADB | A = Модифицированная внутренняя конструкция. DB = два однорядных радиальных шарикоподшипника, однорядные радиально-упорные шарикоподшипники или однорядные конические роликовые подшипники, подходящие для монтажа в расположении друг к другу. |
| 7215 ADT | T = Механически обработанный сепаратор из текстолита, центрируемый по телам качения. |
| 7215 CDB | С = Необслуживаемые концы стержней, внутренняя резьба. |
| 7215 BDF | B = 40 градусов угол контакта. DF = Два однорядных радиальных шарикоподшипника, однорядных радиально-упорных шарикоподшипника или однорядных конических роликоподшипника, согласованные для монтажа по Х-образной схеме. |
| 7215 CDF | Комплект подшипников расположенных лицом к лицу, дуплексная Х-образная пара. |
| 7215 ADF | Комплект подшипников расположенных лицом к лицу, дуплексная Х-образная пара. |
| 7215 CDT | С = Необслуживаемые концы стержней, внутренняя резьба. |
| 7215 BDT | BD = Модифицированная внутренняя конструкция, угол контакта α = 30 градусов, без отверстия для заполнения. |
| 7215 B-UO | B = однокомпонентное ребристое внутреннее кольцо. |
| 7215 C-UO | С = Необслуживаемые концы стержней, внутренняя резьба. |
| 7215 B-UX | X = Внешние размеры, соответствующие международным стандартам. |
| 7215 C-UX | С = Необслуживаемые концы стержней, внутренняя резьба. |
| 7215 B-UD | D = профиль наружного кольца, усовершенствованный, с увеличенной зоной несущей нагрузки и оптимизированными краевыми переходами. |
| 7215 C-UD | С = Необслуживаемые концы стержней, внутренняя резьба. |
| 7215 A-UD | A = внутренняя модификация конструкции. |
| 7215-B-JP | B = однокомпонентное ребристое внутреннее кольцо. |
| 7215 A-UX | A = внутренняя модификация конструкции. |
| 7215CTRSU | С = Необслуживаемые концы стержней, внутренняя резьба. |
| 7215 A-UO | A = внутренняя модификация конструкции. |
| 7215 BECBJ | BE = однорядный радиально-упорный шарикоподшипник с углом контакта 40 градусов и оптимизированной внутренней конструкцией. CB = подшипник для универсального соответствия. Два подшипника, расположенные друг за другом или лицом к лицу, будут иметь нормальный осевой внутренний зазор перед монтажом. J = Прессованный стальной сепаратор оконного типа, сферическая по центру. |
| 7215A5TRSU | Угол контакта 25 градусов. |
| 7215-B-TVP | TVP = сегментный сепаратор, изготовленный из армированного стекловолокном полиамида PA66 направленная по роликам. |
| 7215 ATBP4 | ТВ = текстолитовый сепаратор, центрируемый по внутреннему кольцу. |
| 7215 CTBP4 | ТВ = текстолитовый сепаратор, центрируемый по внутреннему кольцу. |
| 7215 BECBP | ЕС = эксцентриковый фиксатор воротника с утопленным внутренним кольцом на одной стороне. |
| 7215BECBPH | ЕС = эксцентриковый фиксатор воротника с утопленным внутренним кольцом на одной стороне. |
| 7215 BECBY | ЕС = эксцентриковый фиксатор воротника с утопленным внутренним кольцом на одной стороне. |
| 7215 BECBM | B = 40 градусов угол контакта. M = обработанный латунный сепаратор, расположенныйна элементах качения. |
| 7215-BE-MP | Радиально-упорный шарикоподшипник с углом контакта 40. Оптимизированная внутренняя конструкция. Обработанный латунный сепаратор центрируемый по шарику. |
| 7215 CD/P4A | CD = 15 градусов угол контакта. P4 = Точность размеров и вращения соответствуют классу точности 4 ISO. |
| 7215-BE-TVP | E = Увеличенная грузоподъемность. TVP = (сегментная сепаратор, код P) = сплошная оконная сепаратор из армированного стекловолокном полиамида PA66. Катание на роликах. |
| Техника | Модель | Агрегат |
|---|---|---|
| Трактор | МТЗ-80Л | Дифференциал/корпус. опоры правая и левая |
| Трактор | МТЗ-80 | Дифференциал/корпус. опоры правая и левая |
| Трактор | МТЗ-82Л | Дифференциал/корпус. опоры правая и левая |
| Трактор | МТЗ-82 | Дифференциал/корпус. опоры правая и левая |
| Трактор | МТЗ-50Л | Дифференциал/опоры правая и левая корпуса |
| Трактор | МТЗ-50ПЛ | Дифференциал/опоры правая и левая корпуса |
| Трактор | МТЗ-50 | Дифференциал/опоры правая и левая корпуса |
| Трактор | МТЗ-52Л | Дифференциал/опоры правая и левая корпуса |
| Трактор | МТЗ-52 | Дифференциал/опоры правая и левая корпуса |
| Трактор | МТЗ-80Л | Дифференциал/опоры правая и левая корпуса |
| Трактор | МТЗ-80 | Дифференциал/опоры правая и левая корпуса |
| Трактор | МТЗ-82Л | Дифференциал/опоры правая и левая корпуса |
| Трактор | МТЗ-82 | Дифференциал/опоры правая и левая корпуса |
| Трактор | ТМ-25.01Я | Каток поддерживающий |
| Трактор | Т 330Г | Каток поддерживающий |
| Трактор | Т 330 | Каток поддерживающий |
| Трактор | Т-25.01Я | Каток поддерживающий |
| Трактор | Т-35.01Я | Каток поддерживающий |
| Трактор | Т-35.01 ЯБЛ | Каток поддерживающий |
| Трактор | МТЗ-80Л | Корпус дифференциала/опоры правая и левая |
| Трактор | МТЗ-80 | Корпус дифференциала/опоры правая и левая |
| Трактор | МТЗ-82Л | Корпус дифференциала/опоры правая и левая |
| Трактор | МТЗ-82 | Корпус дифференциала/опоры правая и левая |
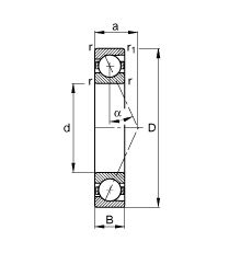
Габаритные размеры
Размеры и геометрические характеристики
Нагрузка и ресурс
Отклонение, точность вращения
Присоединительные размеры
Прочие характеристики
Однорядный цилиндрический роликовый подшипник NJ215 (CRAFT, FAG, FBJ, ISB, ISO)
Однорядный цилиндрический роликовый подшипник NU215 (CRAFT, FAG, FBJ, ISB, ISO)
Подшипник шариковый радиальный 6-215
Подшипник роликовый сферический 20215 (FAG, ISO)
Подшипник шариковый радиальный сферический двухрядный с цилиндрическим отверстием внутреннего кольца 1215 (ГПЗ-8)
Подшипник роликовый радиальный с короткими цилиндрическими роликами без бортов на наружном кольце 2-215 (ГПЗ-3)