Главная > Подшипники> Шариковые> Радиально-упорные>B7210-E-2RSD-T-P4S

B7210-E-2RSD-T-P4S — Подшипник шпиндельный, импортное производство по ISO стандарту, размер 50x90x20 номер основного исполнения 7210.
Производитель: FAG.
Е = Увеличенная грузоподъемность. 2RS = шарикоподшипники с двухсторонним контактным уплотнением исполнения RS.
Цена от:10 062 р.
Цена на подшипник зависит от:
| Обозначение | Модификация |
|---|---|
| 7210 | Основное конструктивное исполнение. |
| B7210 | |
| 7210BG | B = 40 градусов угол контакта. G = Однорядный радиально-упорный шарикоподшипник для универсального парного монтажа. Два подшипника, установленные по 0-образной или Х-образной схеме, будут иметь определенный осевой зазор в домонтажном состоянии. |
| 7210DT | T = Механически обработанный сепаратор из текстолита, центрируемый по телам качения. |
| 7210DF | Комплект подшипников расположенных лицом к лицу, дуплексная Х-образная пара. |
| 7210WN | W = Без кольцевой канавки и смазочных отверстий в наружном кольце. |
| 7210 B | B = однокомпонентное ребристое внутреннее кольцо. |
| 7210AC | AC = Угол контакта 25 градусов. |
| 7210 C | С = Необслуживаемые концы стержней, внутренняя резьба. |
| 7210 A | A = внутренняя модификация конструкции. |
| S7210B | B = однокомпонентное ребристое внутреннее кольцо. |
| 7210DB | D = профиль наружного кольца, усовершенствованный, с увеличенной зоной несущей нагрузки и оптимизированными краевыми переходами. |
| 7210BGM | B = 40 градусов угол контакта. G = Однорядный радиально-упорный шарикоподшипник для универсального парного монтажа. Два подшипника, установленные по 0-образной или Х-образной схеме, будут иметь определенный осевой зазор в домонтажном состоянии. |
| 7210CP4 | P4 = Точность размеров и вращения соответствуют классу точности 4 ISO. |
| 7210CPA | С = Необслуживаемые концы стержней, внутренняя резьба. |
| 7210BGA | B = 40 градусов угол контакта. G = Однорядный радиально-упорный шарикоподшипник для универсального парного монтажа. Два подшипника, установленные по 0-образной или Х-образной схеме, будут иметь определенный осевой зазор в домонтажном состоянии. |
| 7210CDB | С = Необслуживаемые концы стержней, внутренняя резьба. |
| 7210BEA | A = внутренняя модификация конструкции. |
| 7210 BEP | Радиально-упорный шарикоподшипник с угол контакта - 40. Оптимизированная внутренняя конструкция. Сепаратор армирован стекловолокном с шаровым центром. |
| 7210 CDT | С = Необслуживаемые концы стержней, внутренняя резьба. |
| 7210 ADB | A = Модифицированная внутренняя конструкция. DB = два однорядных радиальных шарикоподшипника, однорядные радиально-упорные шарикоподшипники или однорядные конические роликовые подшипники, подходящие для монтажа в расположении друг к другу. |
| 7210 BDB | B = 40 градусов угол контакта. DB = два однорядных радиальных шарикоподшипника, однорядные радиально-упорные шарикоподшипники или однорядные конические роликовые подшипники, подходящие для монтажа в расположении друг за другом. |
| 7210 ADF | Комплект подшипников расположенных лицом к лицу, дуплексная Х-образная пара. |
| 7210 BDT | BD = Модифицированная внутренняя конструкция, угол контакта α = 30 градусов, без отверстия для заполнения. |
| 7210 ADT | T = Механически обработанный сепаратор из текстолита, центрируемый по телам качения. |
| 7210 BDF | B = 40 градусов угол контакта. DF = Два однорядных радиальных шарикоподшипника, однорядных радиально-упорных шарикоподшипника или однорядных конических роликоподшипника, согласованные для монтажа по Х-образной схеме. |
| 7210 CDF | Комплект подшипников расположенных лицом к лицу, дуплексная Х-образная пара. |
| 7210 A-UD | A = внутренняя модификация конструкции. |
| 7210-B-JP | B = однокомпонентное ребристое внутреннее кольцо. |
| 7210 C-UX | С = Необслуживаемые концы стержней, внутренняя резьба. |
| 7210 B-UD | D = профиль наружного кольца, усовершенствованный, с увеличенной зоной несущей нагрузки и оптимизированными краевыми переходами. |
| 7210 A-UX | A = внутренняя модификация конструкции. |
| 7210CTRSU | С = Необслуживаемые концы стержней, внутренняя резьба. |
| 7210 C-UD | С = Необслуживаемые концы стержней, внутренняя резьба. |
| 7210B-2RS | Резиновые уплотнения с каждой стороны подшипника. |
| 7210 B-UX | X = Внешние размеры, соответствующие международным стандартам. |
| 7210 A-UO | A = внутренняя модификация конструкции. |
| 7210 C-UO | С = Необслуживаемые концы стержней, внутренняя резьба. |
| 7210 B-UO | B = однокомпонентное ребристое внутреннее кольцо. |
| 7210-BE-MP | Радиально-упорный шарикоподшипник с углом контакта 40. Оптимизированная внутренняя конструкция. Обработанный латунный сепаратор центрируемый по шарику. |
| 7210-B-TVP | TVP = сегментный сепаратор, изготовленный из армированного стекловолокном полиамида PA66 направленная по роликам. |
| 7210 ATBP4 | ТВ = текстолитовый сепаратор, центрируемый по внутреннему кольцу. |
| 7210 BECBJ | BE = однорядный радиально-упорный шарикоподшипник с углом контакта 40 градусов и оптимизированной внутренней конструкцией. CB = подшипник для универсального соответствия. Два подшипника, расположенные друг за другом или лицом к лицу, будут иметь нормальный осевой внутренний зазор перед монтажом. J = Прессованный стальной сепаратор оконного типа, сферическая по центру. |
| 7210 BECBY | ЕС = эксцентриковый фиксатор воротника с утопленным внутренним кольцом на одной стороне. |
| 7210 BECBP | ЕС = эксцентриковый фиксатор воротника с утопленным внутренним кольцом на одной стороне. |
| 7210A5TRSU | Угол контакта 25 градусов. |
| 7210 CTBP4 | ТВ = текстолитовый сепаратор, центрируемый по внутреннему кольцу. |
| 7210 BECBM | B = 40 градусов угол контакта. M = обработанный латунный сепаратор, расположенныйна элементах качения. |
| 7210 CD/P4A | CD = 15 градусов угол контакта. P4 = Точность размеров и вращения соответствуют классу точности 4 ISO. |
| 7210-BE-TVP | E = Увеличенная грузоподъемность. TVP = (сегментная сепаратор, код P) = сплошная оконная сепаратор из армированного стекловолокном полиамида PA66. Катание на роликах. |
| Техника | Модель | Агрегат |
|---|---|---|
| Трактор | Т-15.01ЯМ | Каток поддерживающий |
| Трактор | Т-15.01Я | Каток поддерживающий |
| Косилка | КПС-5Г | Качалка/корпус |
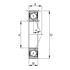
Габаритные размеры
Размеры и геометрические характеристики
Нагрузка и ресурс
Отклонение, точность вращения
Присоединительные размеры
Прочие характеристики
Однорядный цилиндрический роликовый подшипник NJ210 (CRAFT, FAG, FBJ, ISB, ISO)
Однорядный цилиндрический роликовый подшипник NU210 (CRAFT, FAG, FBJ, ISB, ISO)
Подшипник шариковый радиальный 6-210
Подшипник шариковый радиальный 4-210 (ГПЗ-1)
Подшипник роликовый сферический 20210 (FAG, ISO, SIGMA)
Подшипник шариковый радиальный сферический двухрядный с цилиндрическим отверстием внутреннего кольца 1210