Главная > Подшипники> Шариковые> Упорные>7602095-TVP

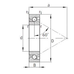
7602095-TVP — Осевой радиально-упорный шарикоподшипник, импортное производство по ISO стандарту, размер 95x170x32 номер основного исполнения .
Производитель: FAG.
TVP = сегментный сепаратор, изготовленный из армированного стекловолокном полиамида PA66 направленная по роликам.
Цена по запросу
Цена на подшипник зависит от:
Габаритные размеры
Размеры и геометрические характеристики
Нагрузка и ресурс
Защита
Присоединительные размеры
Конструкция и исполнение
Однорядный цилиндрический роликовый подшипник NJ219 (CRAFT, FAG, FBJ, ISB, ISO)
Однорядный цилиндрический роликовый подшипник NU219 (CRAFT, FAG, FBJ, ISB, ISO)
Подшипник шариковый однорядный радиально-упорный 7219 (CYSD, FAG, KOYO, NACHI, NTN)
Подшипник шариковый радиальный 6-219 (ГПЗ-1)
Подшипник роликовый радиальный самоцентрирующийся 20219 (FAG, ISO)