Главная > Подшипники> Шариковые> Радиально-упорные>7234-B-MP

7234-B-MP — Подшипник шариковый однорядный радиально-упорный, импортное производство по ISO стандарту, размер 170x310x52 номер основного исполнения 7234.
Производится брендами: FAG, NKE.
B = 40 градусов угол контакта. M = обработанный латунный сепаратор, расположенныйна элементах качения.
Цена от:28 445 р.
Цена на подшипник зависит от:
| Обозначение | Модификация |
|---|---|
| 7234 | Основное конструктивное исполнение. |
| 7234B | B = однокомпонентное ребристое внутреннее кольцо. |
| 7234DB | D = профиль наружного кольца, усовершенствованный, с увеличенной зоной несущей нагрузки и оптимизированными краевыми переходами. |
| 7234DF | Комплект подшипников расположенных лицом к лицу, дуплексная Х-образная пара. |
| 7234BG | B = 40 градусов угол контакта. G = Однорядный радиально-упорный шарикоподшипник для универсального парного монтажа. Два подшипника, установленные по 0-образной или Х-образной схеме, будут иметь определенный осевой зазор в домонтажном состоянии. |
| 7234 C | С = Необслуживаемые концы стержней, внутренняя резьба. |
| 7234 A | A = внутренняя модификация конструкции. |
| 7234AC | AC = Угол контакта 25 градусов. |
| 7234DT | T = Механически обработанный сепаратор из текстолита, центрируемый по телам качения. |
| 7234BDB | B = 40 градусов угол контакта. DB = два однорядных радиальных шарикоподшипника, однорядные радиально-упорные шарикоподшипники или однорядные конические роликовые подшипники, подходящие для монтажа в расположении друг за другом. |
| 7234BGM | B = 40 градусов угол контакта. G = Однорядный радиально-упорный шарикоподшипник для универсального парного монтажа. Два подшипника, установленные по 0-образной или Х-образной схеме, будут иметь определенный осевой зазор в домонтажном состоянии. |
| 7234CPA | С = Необслуживаемые концы стержней, внутренняя резьба. |
| 7234 CDB | С = Необслуживаемые концы стержней, внутренняя резьба. |
| 7234 ADT | T = Механически обработанный сепаратор из текстолита, центрируемый по телам качения. |
| 7234BDFT | B = 40 градусов угол контакта. DF = Два однорядных радиальных шарикоподшипника, однорядных радиально-упорных шарикоподшипника или однорядных конических роликоподшипника, согласованные для монтажа по Х-образной схеме. |
| 7234 ADB | A = Модифицированная внутренняя конструкция. DB = два однорядных радиальных шарикоподшипника, однорядные радиально-упорные шарикоподшипники или однорядные конические роликовые подшипники, подходящие для монтажа в расположении друг к другу. |
| 7234 CDT | С = Необслуживаемые концы стержней, внутренняя резьба. |
| 7234 ADF | Комплект подшипников расположенных лицом к лицу, дуплексная Х-образная пара. |
| 7234 BDT | BD = Модифицированная внутренняя конструкция, угол контакта α = 30 градусов, без отверстия для заполнения. |
| 7234 BDF | B = 40 градусов угол контакта. DF = Два однорядных радиальных шарикоподшипника, однорядных радиально-упорных шарикоподшипника или однорядных конических роликоподшипника, согласованные для монтажа по Х-образной схеме. |
| 7234 CDF | Комплект подшипников расположенных лицом к лицу, дуплексная Х-образная пара. |
| 7234 B-UX | X = Внешние размеры, соответствующие международным стандартам. |
| 7234 BCBM | B = 40 градусов угол контакта. CB = подшипник для универсального соответствия. Два подшипника, расположенные друг за другом или лицом к лицу, будут иметь нормальный осевой внутренний зазор перед монтажом. |
| 7234 C-UO | С = Необслуживаемые концы стержней, внутренняя резьба. |
| 7234 C-UX | С = Необслуживаемые концы стержней, внутренняя резьба. |
| 7234 B-UO | B = однокомпонентное ребристое внутреннее кольцо. |
| 7234 A-UO | A = внутренняя модификация конструкции. |
| 7234 A-UD | A = внутренняя модификация конструкции. |
| 7234 A-UX | A = внутренняя модификация конструкции. |
| 7234 C-UD | С = Необслуживаемые концы стержней, внутренняя резьба. |
| 7234 B-UD | D = профиль наружного кольца, усовершенствованный, с увеличенной зоной несущей нагрузки и оптимизированными краевыми переходами. |
| 7234 ATBP4 | ТВ = текстолитовый сепаратор, центрируемый по внутреннему кольцу. |
| 7234 CTBP4 | ТВ = текстолитовый сепаратор, центрируемый по внутреннему кольцу. |
| 7234-BCB-MP | B = 40 градусов угол контакта. CB = подшипник для универсального соответствия. Два подшипника, расположенные друг за другом или лицом к лицу, будут иметь нормальный осевой внутренний зазор перед монтажом. |
| 7234 B.MP.UA | B = 40 градусов угол контакта. MP = Цельный латунный сепаратор оконного типа с штампованными или протянутыми карманами, центрируемый по внутреннему или наружному кольцу. U = Самоустанавливающиеся шарикоподшипники серий 115 и 116 без втулки. A = Модифицированная внутренняя конструкция. |
| 7234 B.MP.UO | B = 40 градусов угол контакта. M = обработанный латунный сепаратор, расположенныйна элементах качения. |
| B7234-E-T-P4S | E = (AC-SKF) = 25 градусов угол контакта. T = (сегмент TB-Cage) = текстильная слоистая Фенольный смола, направленная по наружному кольцу. сепаратор подходит для длительной эксплуатации при температуре до 100 градусов C. P = Литой сепаратор из стеклонаполненного полиамида 6,6, центрируемый по телам качения. |
| B7234-C-T-P4S | T = Нейлоновая клетка, армированная стекловолокном (радиальные роликовые подшипники). P = Литой сепаратор из стеклонаполненного полиамида 6,6, центрируемый по телам качения. |
| HCB7234-C-T-P4S | T = Нейлоновая клетка, армированная стекловолокном (радиальные роликовые подшипники). P = Литой сепаратор из стеклонаполненного полиамида 6,6, центрируемый по телам качения. |
| HCB7234-E-T-P4S | E = (AC-SKF) = 25 градусов угол контакта. T = (сегмент TB-Cage) = текстильная слоистая Фенольный смола, направленная по наружному кольцу. сепаратор подходит для длительной эксплуатации при температуре до 100 градусов C. P = Литой сепаратор из стеклонаполненного полиамида 6,6, центрируемый по телам качения. |
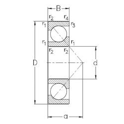
Габаритные размеры
Размеры и геометрические характеристики
Нагрузка и ресурс
Защита
Присоединительные размеры
Конструкция и исполнение
Цилиндрический роликоподшипник N234 (FAG, ISO, KOYO, NACHI, NSK)
Однорядный цилиндрический роликовый подшипник NU234 (CYSD, FAG, ISB, ISO, KOYO)
Подшипник шариковый радиально-упорный QJ234 (CX, CYSD, ISO, NSK, SKF)
Однорядный цилиндрический роликовый подшипник NJ234 (CYSD, FAG, ISB, ISO, KOYO)
Подшипник однорядный шариковый радиальный 6-234 (CX, CYSD, FAG, ISO, KOYO)
Подшипник роликовый радиально-упорный 32234