Главная > Однорядные >7019 ACDGA.P4A

7019 ACDGA.P4A — Подшипник шариковый однорядный радиально-упорный, импортное производство по ISO стандарту, размер 95x145x24 номер основного исполнения 7019.
Производитель: SKF.
ACD = Угол контакта 25 градусов.
Цена от:13 843 р.
Цена на подшипник зависит от:
| Обозначение | Модификация |
|---|---|
| 7019 | Основное конструктивное исполнение. |
| B7019 | |
| 7019 B | B = однокомпонентное ребристое внутреннее кольцо. |
| 7019P5 | P5 = Подшипники 5-го класса точности DIN |
| HS7019 | |
| 7019DF | Комплект подшипников расположенных лицом к лицу, дуплексная Х-образная пара. |
| 7019AC | AC = Угол контакта 25 градусов. |
| 7019DT | T = Механически обработанный сепаратор из текстолита, центрируемый по телам качения. |
| 7019 A | A = внутренняя модификация конструкции. |
| 7019DB | D = профиль наружного кольца, усовершенствованный, с увеличенной зоной несущей нагрузки и оптимизированными краевыми переходами. |
| 7019 C | С = Необслуживаемые концы стержней, внутренняя резьба. |
| H7019C | С = Необслуживаемые концы стержней, внутренняя резьба. |
| 7019CDF | Комплект подшипников расположенных лицом к лицу, дуплексная Х-образная пара. |
| 7019CDB | С = Необслуживаемые концы стержней, внутренняя резьба. |
| 7019CDT | С = Необслуживаемые концы стержней, внутренняя резьба. |
| 7019CPA | С = Необслуживаемые концы стержней, внутренняя резьба. |
| H7019AC | AC = Угол контакта 25 градусов. |
| 7019 ADB | A = Модифицированная внутренняя конструкция. DB = два однорядных радиальных шарикоподшипника, однорядные радиально-упорные шарикоподшипники или однорядные конические роликовые подшипники, подходящие для монтажа в расположении друг к другу. |
| 7019 ADF | Комплект подшипников расположенных лицом к лицу, дуплексная Х-образная пара. |
| 7019BDBT | B = 40 градусов угол контакта. DB = два однорядных радиальных шарикоподшипника, однорядные радиально-упорные шарикоподшипники или однорядные конические роликовые подшипники, подходящие для монтажа в расположении друг за другом. |
| 7019 ADT | T = Механически обработанный сепаратор из текстолита, центрируемый по телам качения. |
| 7019 BDT | BD = Модифицированная внутренняя конструкция, угол контакта α = 30 градусов, без отверстия для заполнения. |
| 7019 BDB | B = 40 градусов угол контакта. DB = два однорядных радиальных шарикоподшипника, однорядные радиально-упорные шарикоподшипники или однорядные конические роликовые подшипники, подходящие для монтажа в расположении друг за другом. |
| 7019 BDF | B = 40 градусов угол контакта. DF = Два однорядных радиальных шарикоподшипника, однорядных радиально-упорных шарикоподшипника или однорядных конических роликоподшипника, согласованные для монтажа по Х-образной схеме. |
| 7019 C-UO | С = Необслуживаемые концы стержней, внутренняя резьба. |
| 7019 A-UO | A = внутренняя модификация конструкции. |
| 7019 A-UD | A = внутренняя модификация конструкции. |
| 7019 A-UX | A = внутренняя модификация конструкции. |
| 7019 B-UO | B = однокомпонентное ребристое внутреннее кольцо. |
| 7019CTRSU | С = Необслуживаемые концы стержней, внутренняя резьба. |
| 7019 B-UD | D = профиль наружного кольца, усовершенствованный, с увеличенной зоной несущей нагрузки и оптимизированными краевыми переходами. |
| 7019 C-UX | С = Необслуживаемые концы стержней, внутренняя резьба. |
| 7019 C-UD | С = Необслуживаемые концы стержней, внутренняя резьба. |
| 7019 B-UX | X = Внешние размеры, соответствующие международным стандартам. |
| 7019HVUJ74 | J = Сепаратор стальной штампованный незакалённый. Сорт стали 7. |
| 7019 CTBP4 | ТВ = текстолитовый сепаратор, центрируемый по внутреннему кольцу. |
| 7019A5TRSU | Угол контакта 25 градусов. |
| 7019 ATBP4 | ТВ = текстолитовый сепаратор, центрируемый по внутреннему кольцу. |
| 7019CVUJ74 | J = Сепаратор стальной штампованный незакалённый. Сорт стали 7. |
| H7019C/HQ1 | С = Необслуживаемые концы стержней, внутренняя резьба. |
| 7019HVDUJ74 | DU = (RS1-SKF) = Уплотнительное контактное уплотнение из акрилонитрил-бутадиеновой резины (NBR) из листовой стали на одной стороне подшипника. |
| 7019 CD/P4A | CD = 15 градусов угол контакта. P4 = Точность размеров и вращения соответствуют классу точности 4 ISO. |
| 7019CVDUJ74 | DU = (RS1-SKF) = Уплотнительное контактное уплотнение из акрилонитрил-бутадиеновой резины (NBR) из листовой стали на одной стороне подшипника. |
| 7019 CB/P4A | P4 = Точность размеров и вращения соответствуют классу точности 4 ISO. |
| 7019 CE/P4A | P4 = Точность размеров и вращения соответствуют классу точности 4 ISO. |
| H7019AC/HQ1 | AC = Угол контакта 25 градусов. |
| 7019UCG/GNP4 | GN = нормальная предварительная нагрузка. P = Литой сепаратор из стеклонаполненного полиамида 6,6, центрируемый по телам качения. |
| 7019 ACB/P4A | AC = Угол контакта 25 градусов. |
| 7019 CE/P4AL | P4 = Точность размеров и вращения соответствуют классу точности 4 ISO. |
| 7019 CD/P4AL | CD = 15 градусов угол контакта. P4 = Точность размеров и вращения соответствуют классу точности 4 ISO. |
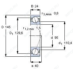
Габаритные размеры
Конструкция и исполнение
Однорядный цилиндрический роликовый подшипник NU1019 (CX, CYSD, FBJ, ISB, ISO)
Подшипник однорядный шариковый радиальный 6019 (AST, CRAFT, CX, CYSD, FAG)
Подшипник шариковый радиальный однорядный 119
Однорядный цилиндрический роликовый подшипник NU1019 M (NKE)
Однорядный цилиндрический роликовый подшипник NU1019 M1 (FAG, NKE)
Однорядный цилиндрический роликовый подшипник NU1019 M1.C3 (NKE)