Главная > Однорядные >6306 M.C3

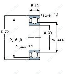
6306 M.C3 — Подшипник однорядный шариковый радиальный, импортное производство по ISO стандарту, размер 30x72x19 номер основного исполнения 6306.
Производитель: FAG.
M = Цельный латунный сепаратор, с шариковой направляющей. C3 = Радиальный внутренний зазор подшипника больше, чем обычно.
Цена от:1 000 р.
Цена на подшипник зависит от:
| Обозначение | Модификация |
|---|---|
| 6306 | Основное конструктивное исполнение. |
| 6306R | R = Наружное кольцо с фланцем . |
| M6306 | |
| S6306 | |
| 6306E | Е = Увеличенная грузоподъемность. |
| 6306C | С = Необслуживаемые концы стержней, внутренняя резьба. |
| 6306LU | LU = RS1 (SKF) = шариковый подшипник с трущим уплотнением с одной стороны. Уплотнение обычно состоит из шайбы из листовой стали и прорезиненной ткани. |
| 6306BI | B = однокомпонентное ребристое внутреннее кольцо. |
| 6306LB | LB - массивный сепаратор из лёгкого сплава, центрирование по внутреннему кольцу. |
| 6306VV | V = Увеличенная грузоподъемность, внутренняя модификация конструкции. |
| 6306UU | Резиновое уплотнение на каждой стороне подшипника. |
| 6306-Z | Металлический экран с одной стороны. |
| W 6306 | |
| 6306ZE | Е = Увеличенная грузоподъемность. |
| 6306DD | DD = резиновые уплотнения на каждой стороне подшипника. |
| HC6306 | |
| 6306 N | N = Канавка под стопорное кольцо в наружном кольце |
| 6306EE | Е = Увеличенная грузоподъемность. |
| 6306NRZ | Стопорное кольцо и проточка под него в наружном кольце подшипника. |
| 6306NKE | К = Коническая посадка, конусность 1:12. |
| 6306LLH | LL = Лабиринтные уплотнения с обеих сторон (уплотнение L-типа - все части уплотнения L-типа покрыты цинком с всех сторон для улучшения защиты от коррозии - без трения уплотнения ). H = Штампованный защелкивающийся стальной сепаратор, закаленный. |
| 6306 ZZ | ZZ = Два металлических экрана. |
| 6306T1X | T = Механически обработанный сепаратор из текстолита, центрируемый по телам качения. |
| 6306-NR | Стопорное кольцо и проточка под него в наружном кольце подшипника. |
| 6306ZZE | ZZ = Два металлических экрана. |
| 6306-RS | R = Наружное кольцо с фланцем . |
| 6306NSE | S = смазочный паз и три отверстия в наружном кольце подшипника. |
| AC-6306 | |
| 6306-2Z | 2Z = Металлические шайбы с каждой стороны подшипника. |
| 6306LLU | LLU = Резиновые уплотнения на каждой стороне подшипника. |
| 6306/25 | |
| 6306LLB | LLB = Уплотнение из синтетического каучука бесконтактного типа. |
| EC-6306 | |
| 6306 TB | ТВ = текстолитовый сепаратор, центрируемый по внутреннему кольцу. |
| M6306ZZ | ZZ = Два металлических экрана. |
| 6306DDU | DDU = резиновые уплотнения на каждой стороне подшипника. |
| 6306-RZ | R = Наружное кольцо с фланцем . |
| SS 6306 | |
| 6306-2RU | Манжетное бесконтактное уплотнение с обеих сторон. |
| W6306-ZZ | ZZ = Два металлических экрана. |
| 6306-RS1 | S1 = Кольца подшипника стабилизированы для рабочих температур до + 200 С. |
| 6306NREE | Стопорное кольцо и проточка под него в наружном кольце подшипника. |
| 6306NRZZ | ZZ = Два металлических экрана. |
| 6306ZZD2 | ZZ = Два металлических экрана. |
| 6306-RS2 | S2 = Кольца подшипника стабилизированы для рабочих температур до + 250 С. |
| 6306-Z-N | Металлический экран с одной стороны. |
| P6306-GB | G = Однорядный радиально-упорный шарикоподшипник для универсального парного монтажа. Два подшипника, установленные по 0-образной или Х-образной схеме, будут иметь определенный осевой зазор в домонтажном состоянии. |
| 6306-2RS | Резиновые уплотнения с каждой стороны подшипника. |
| 6306W4A1 | A1 = Конический роликовый подшипник однорядный |
| P6306-SB | S (Сегментное уплотнение, код 2L) = кулачковый толкатель, Camrol, герметичная версия. B = шестигранное отверстие ,заменяет шлиц отвертки в конце фланца штока. |
| Техника | Модель | Агрегат |
|---|---|---|
| KMAZ | 5320 | Ось зубчатого колеса коробки отбора мощности |
| KMAZ | 53211 | Ось зубчатого колеса коробки отбора мощности |
| KMAZ | 53212 | Ось зубчатого колеса коробки отбора мощности |
| KMAZ | 53213 | Ось зубчатого колеса коробки отбора мощности |
| KMAZ | 5410 | Ось зубчатого колеса коробки отбора мощности |
| KMAZ | 54112 | Ось зубчатого колеса коробки отбора мощности |
| KMAZ | 55102 | Ось зубчатого колеса коробки отбора мощности |
| KMAZ | 55111 | Ось зубчатого колеса коробки отбора мощности |
Габаритные размеры
Конструкция и исполнение
Однорядный цилиндрический роликовый подшипник NU306 (CRAFT, FAG, FBJ, ISB, ISO)
Однорядный цилиндрический роликовый подшипник NJ306 (CRAFT, FAG, FBJ, ISB, ISO)
Подшипник шариковый радиальный 6-306
Подшипник роликовый сферический 20306 (FAG, ISO, SIGMA)
Подшипник роликовый сферический 21306 (ISB, SKF)
Подшипник шариковый радиальный сферический двухрядный с цилиндрическим отверстием внутреннего кольца 1306