
6215 M — Подшипник однорядный шариковый радиальный, импортное производство по ISO стандарту, размер 130x75x25 номер основного исполнения 6215.
Производитель: SKF.
M = массивный латунный сепаратор.
Цена от:3 115 р.
Цена на подшипник зависит от:
| Обозначение | Модификация |
|---|---|
| 6215 | Основное конструктивное исполнение. |
| S6215 | |
| 6215LU | LU = RS1 (SKF) = шариковый подшипник с трущим уплотнением с одной стороны. Уплотнение обычно состоит из шайбы из листовой стали и прорезиненной ткани. |
| 6215-N | N = Канавка под стопорное кольцо в наружном кольце |
| 6215-Z | Металлический экран с одной стороны. |
| 6215BI | B = однокомпонентное ребристое внутреннее кольцо. |
| 6215DD | DD = резиновые уплотнения на каждой стороне подшипника. |
| 6215EE | Е = Увеличенная грузоподъемность. |
| 6215LB | LB - массивный сепаратор из лёгкого сплава, центрирование по внутреннему кольцу. |
| 6215VV | V = Увеличенная грузоподъемность, внутренняя модификация конструкции. |
| 6215ZE | Е = Увеличенная грузоподъемность. |
| 6215-RS | R = Наружное кольцо с фланцем . |
| 6215NKE | К = Коническая посадка, конусность 1:12. |
| 6215ZZE | ZZ = Два металлических экрана. |
| 6215 NR | Стопорное кольцо и проточка под него в наружном кольце подшипника. |
| M6215ZZ | ZZ = Два металлических экрана. |
| 6215 ZZ | ZZ = Два металлических экрана. |
| 6215/72 | |
| 6215 2Z | 2Z = Металлические шайбы с каждой стороны подшипника. |
| 6215LLU | LLU = Резиновые уплотнения на каждой стороне подшипника. |
| 6215NSE | S = смазочный паз и три отверстия в наружном кольце подшипника. |
| 6215LLB | LLB = Уплотнение из синтетического каучука бесконтактного типа. |
| 6215ZENR | Стопорное кольцо и проточка под него в наружном кольце подшипника. |
| 6215-RSR | R = Наружное кольцо с фланцем . |
| 6215-Z-N | Металлический экран с одной стороны. |
| 6215-2RU | Манжетное бесконтактное уплотнение с обеих сторон. |
| 6215-RS1 | S1 = Кольца подшипника стабилизированы для рабочих температур до + 200 С. |
| 6215 2RS | Резиновые уплотнения с каждой стороны подшипника. |
| 6215 DDU | DDU = резиновые уплотнения на каждой стороне подшипника. |
| 6215ZZNR | ZZ = Два металлических экрана. NR = Стопорное кольцо Groove В наружном кольце подшипника и целесообразное стопорное кольцо. |
| 6215-2Z-N | 2Z = Металлические шайбы с каждой стороны подшипника. |
| S6215-2RS | Резиновые уплотнения с каждой стороны подшипника. |
| 6215-2NSE | S = смазочный паз и три отверстия в наружном кольце подшипника. |
| 6215-Z-NR | Стопорное кольцо и проточка под него в наружном кольце подшипника. |
| 6215-2NKE | К = Коническая посадка, конусность 1:12. |
| 6215-2RS1 | Резиновые уплотнения с каждой стороны подшипника. |
| 6215LLUNR | LLU = Резиновые уплотнения на каждой стороне подшипника. |
| 6215 ZZC3 | C3 = Радиальный внутренний зазор больше нормального. |
| 6215-2RSR | 2RSR = Резиновые уплотнения с каждой стороны подшипника. |
| 6215-2Z-NR | 2Z = Металлические шайбы с каждой стороны подшипника. |
| 6215/HC5C3 | C3 = Радиальный внутренний зазор больше нормального. |
| 6215 2Z.C3 | C3 = Радиальный внутренний зазор больше нормального. |
| 6215/VA201 | V = Увеличенная грузоподъемность, внутренняя модификация конструкции. |
| 215 (6215) | |
| 6215/C3VL0241 | C3 = Радиальный внутренний зазор больше нормального. |
| 6215-2Z/VA201 | 2Z = Металлические шайбы с каждой стороны подшипника. |
| 6215-2Z/VA208 | 2Z = Закрыт с двух сторон шайбами из прессованной листовой стали. VA208 = Подшипник для высокотемпературных применений, температурный режим 350 градусовC |
| 6215-2Z/VA228 | 2Z = Закрыт с двух сторон шайбами из прессованной листовой стали. VA228 = Подшипник для высокой температуры. Применение (+350℃). |
| 6215 M.C3.SQ77 | M = Цельный латунный сепаратор, с шариковой направляющей. C3 = Радиальный внутренний зазор подшипника больше, чем обычно. |
| 6215-2RS1/HC5C3WT | Резиновые уплотнения с каждой стороны подшипника. |
| Техника | Модель | Агрегат |
|---|---|---|
| ГАЗ | 27057 Газель | Коробка раздаточная/дифференциал |
| ГАЗ | 32217 Газель | Коробка раздаточная/дифференциал |
| ГАЗ | 322172 Газель | Коробка раздаточная/дифференциал |
| ГАЗ | 322173 Газель | Коробка раздаточная/дифференциал |
| ГАЗ | 33027 Газель | Коробка раздаточная/дифференциал |
| ГАЗ | 330273 Газель | Коробка раздаточная/дифференциал |
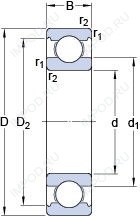
Габаритные размеры
Размеры и геометрические характеристики
Нагрузка и ресурс
Коэффициенты для расчета
Прочие характеристики
Однорядный цилиндрический роликовый подшипник N215 ECP (FAG, SKF)
Однорядный цилиндрический роликоподшипник NJ215 ECJ (FAG, SKF)
Однорядный цилиндрический роликовый подшипник NJ 215 ECML (SKF)
Однорядный цилиндрический роликоподшипник NJ 215 ECM (SKF)
Однорядный цилиндрический роликовый подшипник NJ 215 ECP (SKF)
Однорядный цилиндрический роликоподшипник NU 215 ECM (SKF)