Главная > Однорядные >6204 Z.C3

6204 Z.C3 — Подшипник однорядный шариковый радиальный, импортное производство по ISO стандарту, размер 20x47x14 номер основного исполнения 6204.
Производитель: FAG.
C3 = Радиальный внутренний зазор больше нормального.
Цена от:112 р.
Цена на подшипник зависит от:
| Обозначение | Модификация |
|---|---|
| 6204 | Основное конструктивное исполнение. |
| 6204R | R = Наружное кольцо с фланцем . |
| S6204 | |
| 6204E | Е = Увеличенная грузоподъемность. |
| M6204 | |
| NC6204 | |
| 6204BI | B = однокомпонентное ребристое внутреннее кольцо. |
| 6204LB | LB - массивный сепаратор из лёгкого сплава, центрирование по внутреннему кольцу. |
| 6204-Z | Металлический экран с одной стороны. |
| 6204VV | V = Увеличенная грузоподъемность, внутренняя модификация конструкции. |
| W 6204 | |
| 6204ZE | Е = Увеличенная грузоподъемность. |
| 6204LT | T = Механически обработанный сепаратор из текстолита, центрируемый по телам качения. |
| 6204DW | W = Без кольцевой канавки и смазочных отверстий в наружном кольце. |
| 6204UU | Резиновое уплотнение на каждой стороне подшипника. |
| 6204DD | DD = резиновые уплотнения на каждой стороне подшипника. |
| 6204 N | N = Канавка под стопорное кольцо в наружном кольце |
| 6204EE | Е = Увеличенная грузоподъемность. |
| 6204LU | LU = RS1 (SKF) = шариковый подшипник с трущим уплотнением с одной стороны. Уплотнение обычно состоит из шайбы из листовой стали и прорезиненной ткани. |
| F-6204 | |
| 6204-C | С = Необслуживаемые концы стержней, внутренняя резьба. |
| HC6204 | |
| 6204G15 | G15 = Формованная литьевая клетка из армированного стекловолокном полиамида 6,6, с вращающимся элементом по центру. |
| 6204ZZE | ZZ = Два металлических экрана. |
| 6204LLH | LL = Лабиринтные уплотнения с обеих сторон (уплотнение L-типа - все части уплотнения L-типа покрыты цинком с всех сторон для улучшения защиты от коррозии - без трения уплотнения ). H = Штампованный защелкивающийся стальной сепаратор, закаленный. |
| 6204-NR | Стопорное кольцо и проточка под него в наружном кольце подшипника. |
| 6204LLU | LLU = Резиновые уплотнения на каждой стороне подшипника. |
| 6204-RS | R = Наружное кольцо с фланцем . |
| 6204SEE | S = смазочный паз и три отверстия в наружном кольце подшипника. |
| 6204T1X | T = Механически обработанный сепаратор из текстолита, центрируемый по телам качения. |
| 6204 2Z | 2Z = Металлические шайбы с каждой стороны подшипника. |
| 6204 TB | ТВ = текстолитовый сепаратор, центрируемый по внутреннему кольцу. |
| 6204NSE | S = смазочный паз и три отверстия в наружном кольце подшипника. |
| 6204LLB | LLB = Уплотнение из синтетического каучука бесконтактного типа. |
| AC-6204 | |
| 6204L11 | L = массивный сепаратор из лёгкого сплава. |
| 6204/22 | |
| 6204DDU | DDU = резиновые уплотнения на каждой стороне подшипника. |
| 6204 ZZ | ZZ = Два металлических экрана. |
| SS 6204 | |
| EC-6204 | |
| 6204NKE | К = Коническая посадка, конусность 1:12. |
| 6204-RS2 | S2 = Кольца подшипника стабилизированы для рабочих температур до + 250 С. |
| P6204-GB | G = Однорядный радиально-упорный шарикоподшипник для универсального парного монтажа. Два подшипника, установленные по 0-образной или Х-образной схеме, будут иметь определенный осевой зазор в домонтажном состоянии. |
| 6204LTZZ | ZZ = Два металлических экрана. |
| P6204-SB | S (Сегментное уплотнение, код 2L) = кулачковый толкатель, Camrol, герметичная версия. B = шестигранное отверстие ,заменяет шлиц отвертки в конце фланца штока. |
| 6204NRZZ | ZZ = Два металлических экрана. |
| W6204-ZZ | ZZ = Два металлических экрана. |
| 6204-2RU | Манжетное бесконтактное уплотнение с обеих сторон. |
| 6204ZENR | Стопорное кольцо и проточка под него в наружном кольце подшипника. |
| Техника | Модель | Агрегат |
|---|---|---|
| Мототехника | Минск ММВЗ-3.11211 | Вал коленчатый |
| Мототехника | Минск ММВЗ-3.1135 | Вал коленчатый |
| Трактор | Т-151К с двигателем СМД-62А-63А | Двигатель/вал кулачковый насоса топливного |
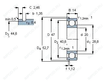
Габаритные размеры
Конструкция и исполнение
Однорядный цилиндрический роликовый подшипник NJ204 (CRAFT, FAG, FBJ, ISB, ISO)
Однорядный цилиндрический роликовый подшипник NU204 (CRAFT, FBJ, ISB, ISO, KOYO)
Подшипник шариковый радиально-упорный QJ204 (CX, ISO, NKE)
Подшипник шариковый радиальный 4-204 (ГПЗ-4)
Подшипник роликовый радиальный самоцентрирующийся 20204 (FAG, ISO, SIGMA)