Главная > Подшипники> Шариковые> Упорные>53434X

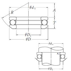
53434X — Осевой радиальный шарикоподшипник, импортное производство по ISO стандарту, размер 170x340x141 номер основного исполнения 53434.
Производитель: NSK.
X = Внешние размеры, соответствующие международным стандартам.
Цена по запросу
Цена на подшипник зависит от:
Габаритные размеры
Размеры и геометрические характеристики
Нагрузка и ресурс
Защита
Присоединительные размеры
Конструкция и исполнение
Другие размеры
Подшипник роликовый радиальный самоцентрирующийся 13534 Н (ГПЗ-11)
Подшипник упорный шариковый одинарный со свободным самоустанавливающимся кольцом без подкладного кольца 28434