Главная > Подшипники> Шариковые> Упорные>53434U

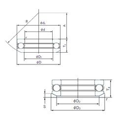
53434U — Осевой радиальный шарикоподшипник, импортное производство по ISO стандарту, размер 170x340x156 номер основного исполнения 53434.
Производитель: NACHI.
Цена по запросу
Цена на подшипник зависит от:
Габаритные размеры
Размеры и геометрические характеристики
Нагрузка и ресурс
Защита
Присоединительные размеры
Конструкция и исполнение
Другие размеры