Главная > Подшипники> Шариковые> Упорные>53434

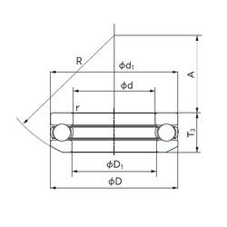
53434 — Осевой радиальный шарикоподшипник, импортное производство по ISO стандарту, размер 170x340x141 основное исполнение.
Производитель: NACHI.
Цена по запросу
Цена на подшипник зависит от:
Габаритные размеры
Размеры и геометрические характеристики
Нагрузка и ресурс
Защита
Присоединительные размеры
Конструкция и исполнение
Другие размеры
Подшипник роликовый радиальный самоцентрирующийся 13534 Н (ГПЗ-11)
Подшипник упорный шариковый одинарный со свободным самоустанавливающимся кольцом без подкладного кольца 28434