Главная > Подшипники> Шариковые> Упорные>51136M

51136M — Подшипник шариковый упорный однонаправленный, импортное производство по ISO стандарту, размер 180x225x34 номер основного исполнения 51136.
Производится брендами: AST, CRAFT, ISB, NIS, SKF.
M = массивный латунный сепаратор.
Цена от:10 841 р.
Цена на подшипник зависит от:
Габаритные размеры
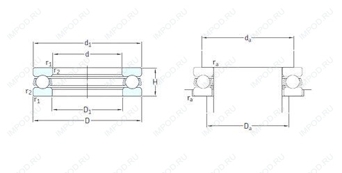
Размеры и геометрические характеристики
Нагрузка и ресурс
Защита
Присоединительные размеры
Конструкция и исполнение
Прочие характеристики
Подшипник упорный шариковый одинарный 8136
Подшипник упорный шариковый одинарный 8136Н
Подшипник упорный шариковый одинарный 8136 Л
Подшипник упорный с цилиндрическими роликами одинарный однорядный 9136
Роликовый цилиндрический упорный подшипник 81136 (CX, ISO, NIS, NTN, SIGMA)
Роликовый цилиндрический упорный подшипник 81136-MB (NKE)