Главная > Подшипники> Роликовые > Упорные>81136-MB

81136-MB — Роликовый цилиндрический упорный подшипник, импортное производство по ISO стандарту, размер 180x225x34 номер основного исполнения 81136.
Производитель: NKE.
MB = Обработанный латунный сепаратор с внутренним кольцом.
Цена от:16 023 р.
Цена на подшипник зависит от:
| Обозначение | Модификация |
|---|---|
| 81136 | Основное конструктивное исполнение. |
| 81136M | M = массивный латунный сепаратор. |
| GS 81136 | Свободное кольцо цилиндрического упорного роликоподшипника. |
| K 81136-MB | Игольчатый роликоподшипник без колец. MB = Обработанный латунный сепаратор с внутренним кольцом. |
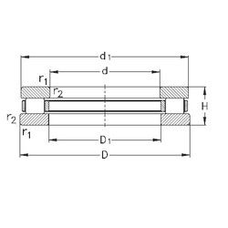
Габаритные размеры
Размеры и геометрические характеристики
Нагрузка и ресурс
Защита
Конструкция и исполнение
Подшипник упорный шариковый одинарный 8136
Подшипник упорный шариковый одинарный 8136Н
Подшипник упорный шариковый одинарный 8136 Л
Подшипник упорный с цилиндрическими роликами одинарный однорядный 9136
Подшипник шариковый упорный однонаправленный 51136 (CX, ISO, KOYO, NACHI, NTN)
Подшипник шариковый упорный однонаправленный 51136M (AST, CRAFT, ISB, NIS, SKF)