Главная > Подшипники> Шариковые> Упорные>51136-MP

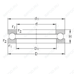
51136-MP — Подшипник шариковый упорный, импортное производство по ISO стандарту, размер 180x225x34 номер основного исполнения 51136.
Производится брендами: FAG, NKE.
P = Литой сепаратор из стеклонаполненного полиамида 6,6, центрируемый по телам качения.
Цена от:12 905 р.
Цена на подшипник зависит от:
Габаритные размеры
Размеры и геометрические характеристики
Нагрузка и ресурс
Защита
Присоединительные размеры
Конструкция и исполнение
Подшипник упорный шариковый одинарный 8136
Подшипник упорный шариковый одинарный 8136Н
Подшипник упорный шариковый одинарный 8136 Л
Подшипник упорный с цилиндрическими роликами одинарный однорядный 9136
Роликовый цилиндрический упорный подшипник 81136 (CX, ISO, NIS, NTN, SIGMA)
Роликовый цилиндрический упорный подшипник 81136-MB (NKE)