Главная > Подшипники> Шариковые> Радиальные сферические>50218

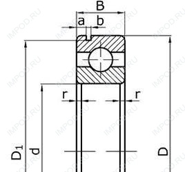
50218 — Подшипник шариковый радиальный однорядный с канавкой на наружном кольце, отечественное производство по ГОСТ стандарту, размер 90x160x30 основное исполнение.
Цена по запросу
Цена на подшипник зависит от:
| Обозначение | Модификация |
|---|---|
| 50218 А | А = Подшипник повышенной грузоподьемности. ГОСТ |
| 2В0-50218 А | А = Подшипник повышенной грузоподьемности. ГОСТ |
Габаритные размеры
Размеры и геометрические характеристики
Однорядный цилиндрический роликовый подшипник NJ218 (CRAFT, FAG, FBJ, ISB, ISO)
Однорядный цилиндрический роликовый подшипник NU218 (CRAFT, FAG, FBJ, ISB, ISO)
Подшипник шариковый радиальный 6-218
Подшипник роликовый радиально-упорный 32218
Подшипник шариковый радиальный 4-218 (ГПЗ-3)