Главная > Подшипники> Шариковые> Радиальные сферические>50218 А

50218 А — Подшипник шариковый радиальный однорядный с канавкой на наружном кольце, отечественное производство по ГОСТ стандарту, размер 90x160x30 номер основного исполнения 50218.
А = Подшипник повышенной грузоподьемности. ГОСТ
Цена по запросу
Цена на подшипник зависит от:
| Обозначение | Модификация |
|---|---|
| 50218 | Основное конструктивное исполнение. |
| 2В0-50218 А | А = Подшипник повышенной грузоподьемности. ГОСТ |
| Техника | Модель | Агрегат |
|---|---|---|
| КрАЗ | 260А | Коробка раздаточная |
| КрАЗ | 260В | Коробка раздаточная |
| КрАЗ | 260Г | Коробка раздаточная |
| КрАЗ | 260Д | Коробка раздаточная |
| КрАЗ | 260С | Коробка раздаточная |
| КрАЗ | 260 | Коробка раздаточная |
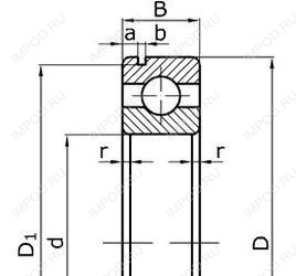
Габаритные размеры
Размеры и геометрические характеристики
Однорядный цилиндрический роликовый подшипник NJ218 (CRAFT, FAG, FBJ, ISB, ISO)
Однорядный цилиндрический роликовый подшипник NU218 (CRAFT, FAG, FBJ, ISB, ISO)
Подшипник шариковый радиальный 6-218
Подшипник роликовый радиально-упорный 32218
Подшипник шариковый радиальный 4-218 (ГПЗ-3)