Главная > Подшипники> Шариковые> Радиальные сферические>50215

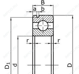
50215 — Подшипник шариковый радиальный однорядный с канавкой на наружном кольце, отечественное производство по ГОСТ стандарту, размер 75x130x25 основное исполнение.
Производитель: ГПЗ-23.
Цена по запросу
Цена на подшипник зависит от:
Габаритные размеры
Размеры и геометрические характеристики
Однорядный цилиндрический роликовый подшипник NJ215 (CRAFT, FAG, FBJ, ISB, ISO)
Однорядный цилиндрический роликовый подшипник NU215 (CRAFT, FAG, FBJ, ISB, ISO)
Подшипник шариковый радиальный 6-215
Подшипник роликовый сферический 20215 (FAG, ISO)
Подшипник шариковый радиальный сферический двухрядный с цилиндрическим отверстием внутреннего кольца 1215 (ГПЗ-8)
Подшипник роликовый радиальный с короткими цилиндрическими роликами без бортов на наружном кольце 2-215 (ГПЗ-3)