Главная > Подшипники> Шариковые> Радиальные сферические>50210

50210 — Подшипник шариковый радиальный однорядный с канавкой на наружном кольце, отечественное производство по ГОСТ стандарту, размер 50x90x20 основное исполнение.
Цена от:295 р.
Цена на подшипник зависит от:
| Обозначение | Модификация |
|---|---|
| 50210K | К = Коническая посадка, конусность 1:12. |
| 50210 К | К = Конструктивное изменение зависящее от типа подшипника. |
| 50210 A | A = внутренняя модификация конструкции. |
| 50210 А | А = Подшипник повышенной грузоподьемности. ГОСТ |
| 50210 АК | А = Увеличенная грузоподемность подшипника. К = Конструктивное изменение зависящее от типа подшипника. |
| 6-50210 К | К = Конструктивное изменение зависящее от типа подшипника. |
| Техника | Модель | Агрегат |
|---|---|---|
| Трактор | ЛХТ-55 | Коробка передач/валы |
| Трактор | ТДТ-55 | Коробка передач/валы |
| Комбайн | КСКУ-6 | Коробка переключения диапазонов |
| Трактор | ЛХТ-55 | Лебедка/редуктор привода |
| Трактор | ТДТ-55 | Лебедка/редуктор привода |
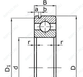
Габаритные размеры
Размеры и геометрические характеристики
Однорядный цилиндрический роликовый подшипник NJ210 (CRAFT, FAG, FBJ, ISB, ISO)
Однорядный цилиндрический роликовый подшипник NU210 (CRAFT, FAG, FBJ, ISB, ISO)
Подшипник шариковый радиальный 6-210
Подшипник шариковый радиальный 4-210 (ГПЗ-1)
Подшипник роликовый сферический 20210 (FAG, ISO, SIGMA)