Главная > Подшипники> Шариковые> Радиальные сферические>50209

50209 — Подшипник шариковый радиальный однорядный с канавкой на наружном кольце, отечественное производство по ГОСТ стандарту, размер 45x85x19 основное исполнение.
Цена от:166 р.
Цена на подшипник зависит от:
| Обозначение | Модификация |
|---|---|
| 50209 А | А = Подшипник повышенной грузоподьемности. ГОСТ |
| 50209 A | A = внутренняя модификация конструкции. |
| 50209 А2 | А2 = Увеличенная грузоподъемность подшипника. |
| 50209 А1 | А1 = Увеличенная грузоподьемность подшипника. |
| 50209 К1 | К1 = Конструктивное изменение зависящее от типа подшипника. |
| 8-50209 А | А = Подшипник повышенной грузоподьемности. ГОСТ |
| 50209 АК5 | А = Увеличенная грузоподемность подшипника. К5 = Конструктивное изменение зависящее от типа подшипника. |
| 6-50209 К | К = Конструктивное изменение зависящее от типа подшипника. |
| 6-50209 А | А = Подшипник повышенной грузоподьемности. ГОСТ |
| 8-50209 А2 | А2 = Увеличенная грузоподъемность подшипника. |
| 6-50209 А2 | А2 = Увеличенная грузоподъемность подшипника. |
| 6-50209 А1 | А1 = Увеличенная грузоподьемность подшипника. |
| 70-50209 А2 | А2 = Увеличенная грузоподъемность подшипника. |
| 80-50209 А2 | А2 = Увеличенная грузоподъемность подшипника. |
| В6-50209 А1К2Ш1 | А1 = Увеличенная грузоподемность подшипника. К = Измененная конструкция подшипника зависит от модели подшипника. Более детальную информацию можете узнать у нашего специалиста. |
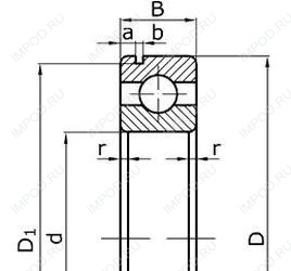
Габаритные размеры
Размеры и геометрические характеристики
Однорядный цилиндрический роликовый подшипник NJ209 (CRAFT, FAG, FBJ, ISB, ISO)
Однорядный цилиндрический роликовый подшипник NU209 (CRAFT, FAG, FBJ, ISB, ISO)
Подшипник шариковый радиальный 6-209
Подшипник шариковый радиальный 4-209 (ГПЗ-1)
Подшипник роликовый сферический 20209 (FAG, ISO, SIGMA)