Главная > Подшипники> Шариковые> Радиальные>50209 А2

50209 А2 — Подшипник шариковый радиальный однорядный с канавкой на наружном кольце, отечественное производство по ГОСТ стандарту, размер 45x85x19 номер основного исполнения 50209.
А2 = Увеличенная грузоподъемность подшипника.
Цена по запросу
Цена на подшипник зависит от:
| Обозначение | Модификация |
|---|---|
| 50209 | Основное конструктивное исполнение. |
| 50209 А | А = Подшипник повышенной грузоподьемности. ГОСТ |
| 50209 A | A = внутренняя модификация конструкции. |
| 50209 А1 | А1 = Увеличенная грузоподьемность подшипника. |
| 50209 К1 | К1 = Конструктивное изменение зависящее от типа подшипника. |
| 50209 АК5 | А = Увеличенная грузоподемность подшипника. К5 = Конструктивное изменение зависящее от типа подшипника. |
| 6-50209 К | К = Конструктивное изменение зависящее от типа подшипника. |
| 6-50209 А | А = Подшипник повышенной грузоподьемности. ГОСТ |
| 8-50209 А | А = Подшипник повышенной грузоподьемности. ГОСТ |
| 8-50209 А2 | А2 = Увеличенная грузоподъемность подшипника. |
| 6-50209 А2 | А2 = Увеличенная грузоподъемность подшипника. |
| 6-50209 А1 | А1 = Увеличенная грузоподьемность подшипника. |
| 80-50209 А2 | А2 = Увеличенная грузоподъемность подшипника. |
| 70-50209 А2 | А2 = Увеличенная грузоподъемность подшипника. |
| В6-50209 А1К2Ш1 | А1 = Увеличенная грузоподемность подшипника. К = Измененная конструкция подшипника зависит от модели подшипника. Более детальную информацию можете узнать у нашего специалиста. |
| Техника | Модель | Агрегат |
|---|---|---|
| ГАЗ | САЗ 3502 | Коробка переключения передач |
| ГАЗ | САЗ 3503 | Коробка переключения передач |
| ГАЗ | САЗ 53Б | Коробка переключения передач |
| ГАЗ | 3307 | Коробка переключения передач |
| ГАЗ | 53А | Коробка переключения передач |
| ГАЗ | 53Б | Коробка переключения передач |
| ГАЗ | 53-112 | Коробка переключения передач |
| ГАЗ | 53-12 | Коробка переключения передач |
| ГАЗ | 66 с лебедкой | Коробка переключения передач |
| ГАЗ | 66-11 | Коробка переключения передач |
| ГАЗ | 66-12 | Коробка переключения передач |
| ГАЗ | 66 | Коробка переключения передач |
| КАвЗ | 685М | Коробка переключения передач |
| ПАЗ | 3201 | Коробка переключения передач |
| ПАЗ | 3205 | Коробка переключения передач |
| ПАЗ | 672 | Коробка переключения передач |
| САЗ | 3502 | Коробка переключения передач |
| САЗ | 3507 | Коробка переключения передач |
| ГАЗ | 53А | Первичный вал коробки передач |
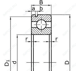
Габаритные размеры
Размеры и геометрические характеристики
Однорядный цилиндрический роликовый подшипник NJ209 (CRAFT, FAG, FBJ, ISB, ISO)
Однорядный цилиндрический роликовый подшипник NU209 (CRAFT, FAG, FBJ, ISB, ISO)
Подшипник шариковый радиальный 6-209
Подшипник шариковый радиальный 4-209 (ГПЗ-1)
Подшипник роликовый сферический 20209 (FAG, ISO, SIGMA)