Главная > Подшипники> Роликовые > Радиально-упорные>368A/363

368A/363 — Однорядный конический роликовый подшипник, импортное производство по ISO стандарту, размер 50x90x20 номер основного исполнения .
Производится брендами: CX, FBJ, ISO, TIMKEN.
A = внутренняя модификация конструкции.
Цена от:968 р.
Цена на подшипник зависит от:
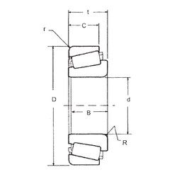
Габаритные размеры
Размеры и геометрические характеристики
Нагрузка и ресурс
Защита
Коэффициенты для расчета
Присоединительные размеры
Конструкция и исполнение
Однорядный цилиндрический роликовый подшипник NJ210 (CRAFT, FAG, FBJ, ISB, ISO)
Однорядный цилиндрический роликовый подшипник NU210 (CRAFT, FAG, FBJ, ISB, ISO)
Подшипник шариковый радиальный 6-210
Подшипник шариковый радиальный 4-210 (ГПЗ-1)
Подшипник роликовый сферический 20210 (FAG, ISO, SIGMA)